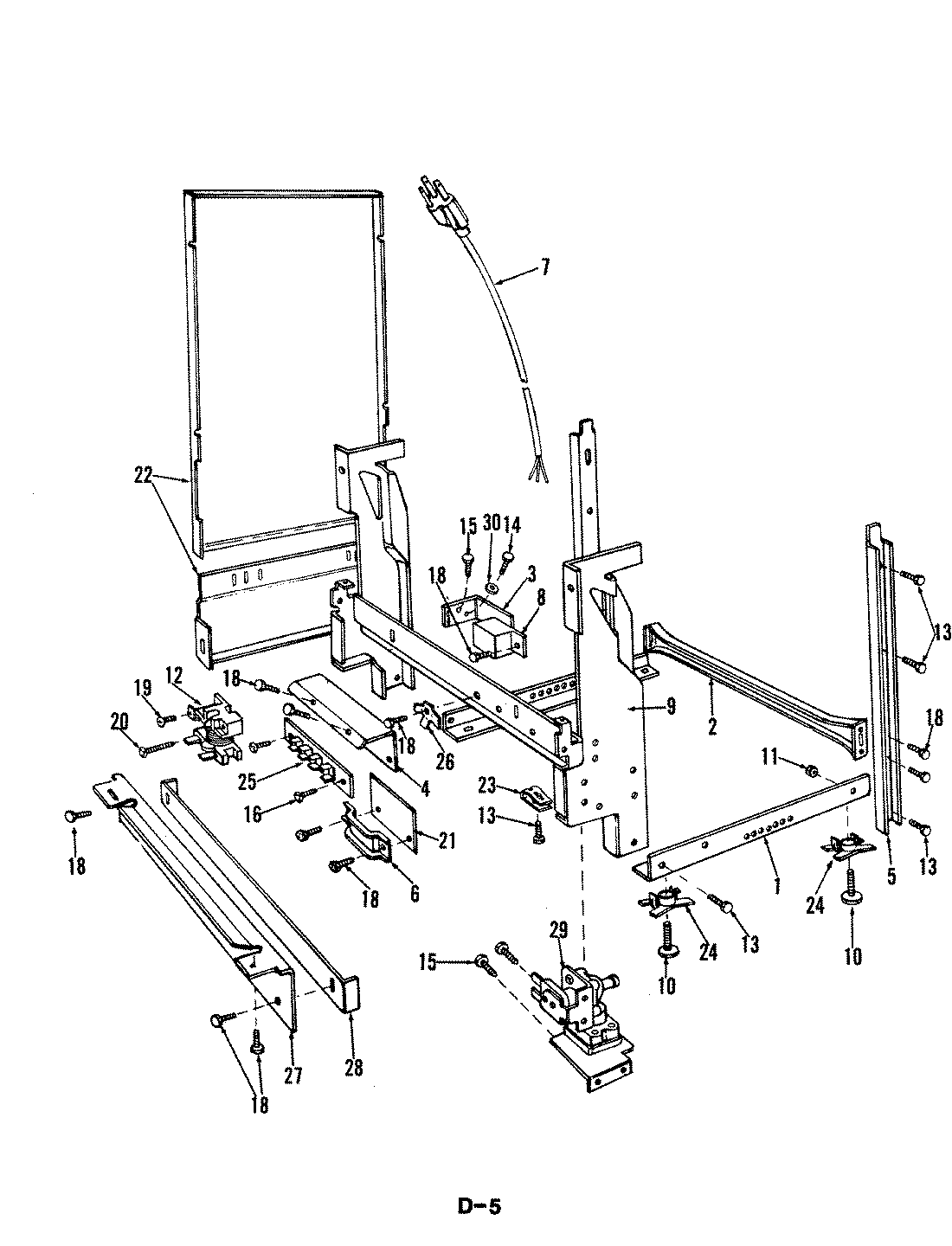
DU24H2 04 – FRAME PARTS