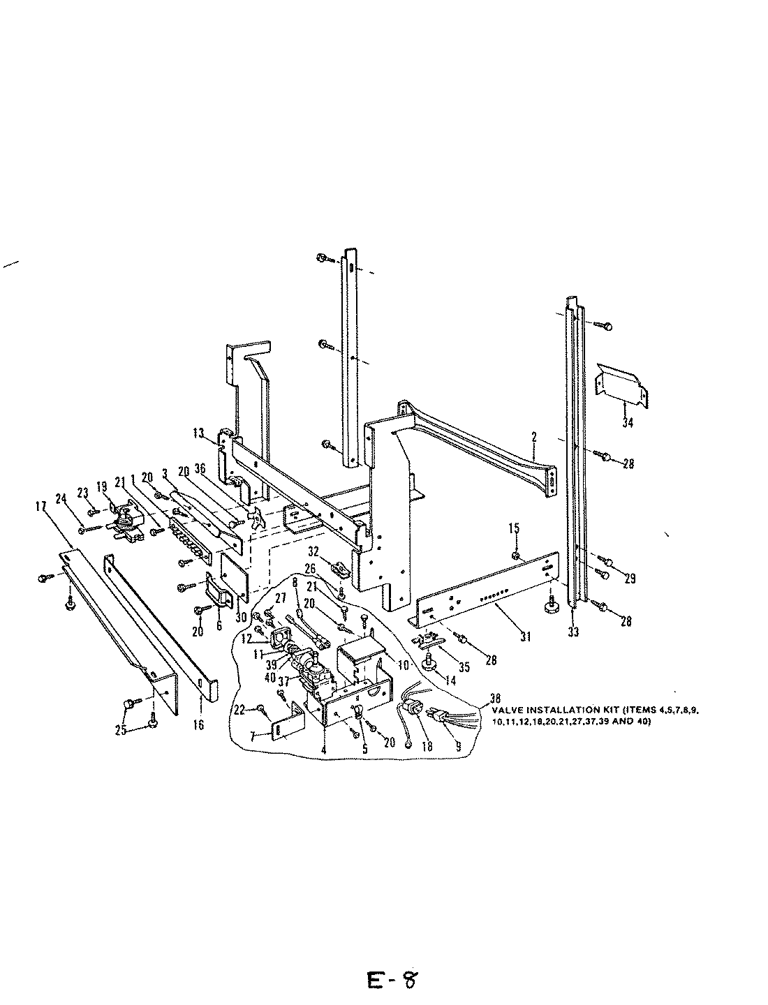
DU25A-1 04 – FRAME PARTSadmin2025-04-26T09:36:09+00:00DU25A-1 04 – FRAME PARTS ProductsPositionProduct1MAY 8074862MAY 8078523MAY 8078494MAY 8083405MAY 8055846CLAMP7MAY 8083398MAY 8083549MAY 80835610MAY 80834111FITTING12FITTING RETAINR13MAY 80784814MAY 80767215MAY 80461916TOE PLATE17TOE PLATE18MAY 80835819RELAY20SCREW22MAY 80750123MAY 80659324MAY 80467225SCREW26MAY 80778427SCREW28MAY 80688929MAY 80795030WIRE SHIELD31SIDE CHANNEL32MAY 80817033CHANNEL34MAY 80834235TEENUT36GROUND TERMINAL37MAY 80846738MAY 80836039MAY 80610040MAY 807609