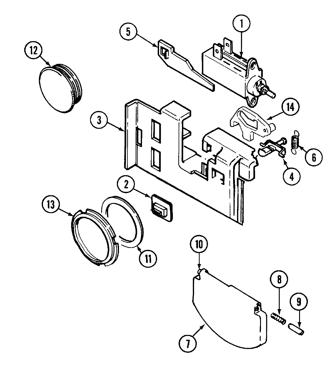
DU2J 05 – SOAP DISPENSER