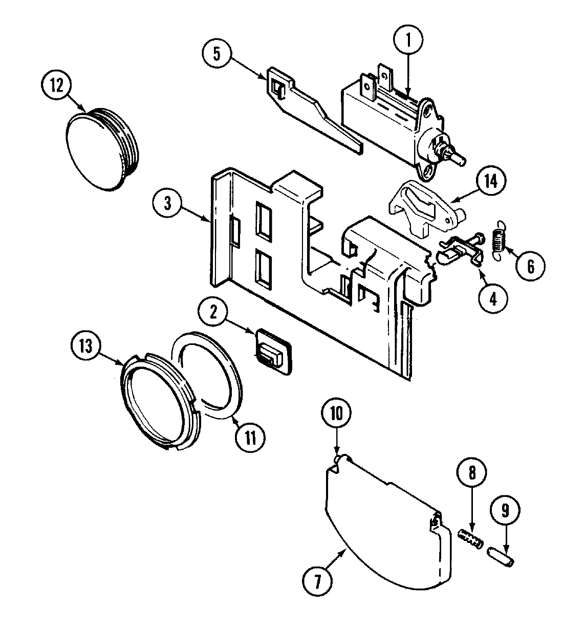
DU2J3 05 – SOAP DISPENSERadmin2025-04-26T09:38:50+00:00DU2J3 05 – SOAP DISPENSER ProductsPositionProduct1WP902899 Whirlpool Dishwasher Wax Motor2MAY Y9131913WP99001288 Whirlpool Dishwasher Retainer4WP99001291 Whirlpool Dishwasher Latch5MAY 990012896WPW10116816 Whirlpool Dishwasher Spring7MAY 9034838MAY Y9125479WP6-912678 Whirlpool Hinge Pin10WPY912679 Whirlpool Dishwasher Hinge Pin11MAY Y91283512MAY Y91309213MAY Y91306014MAY 99001287