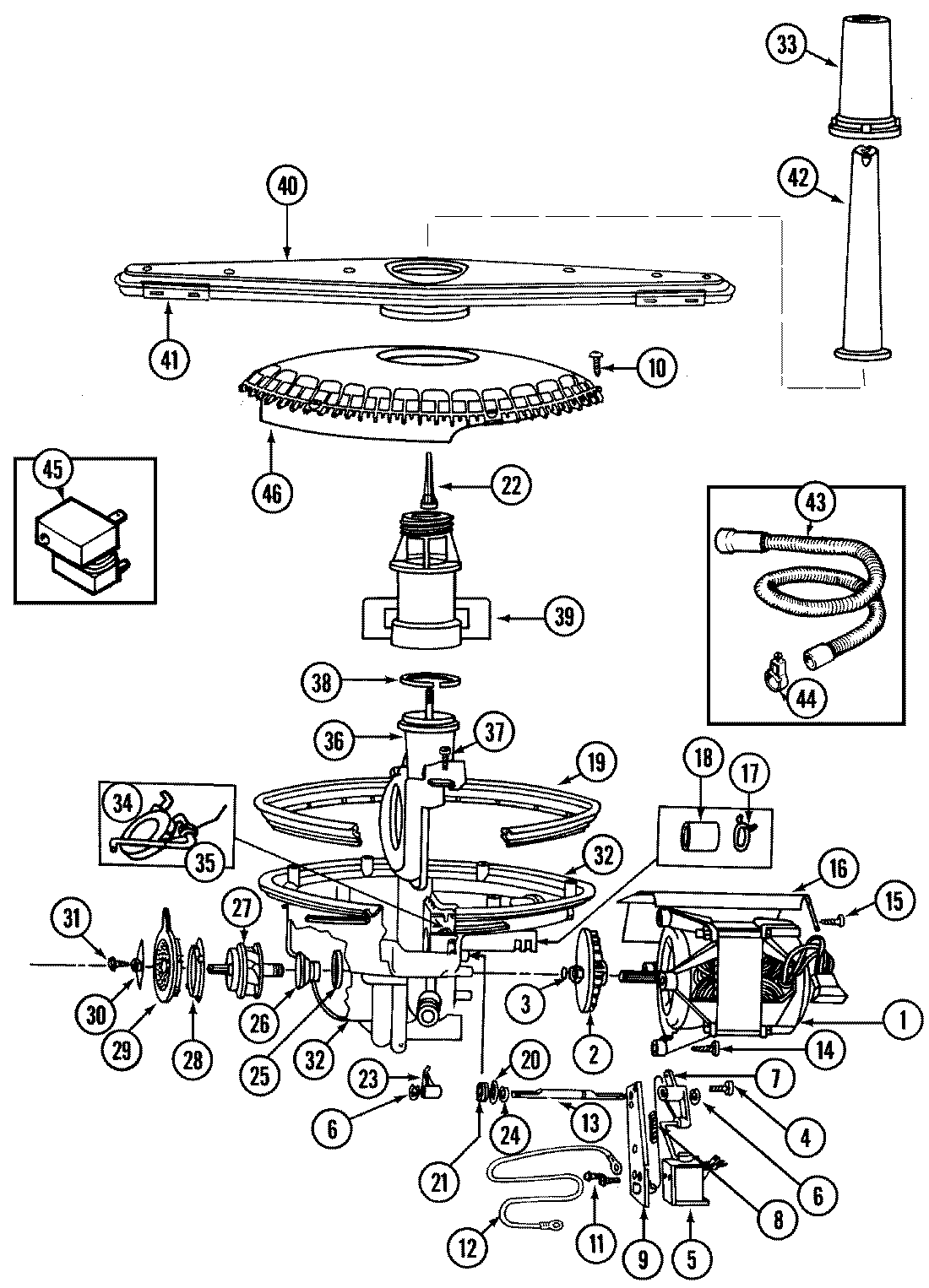
DU2J3V 03 – PUMP & MOTOR