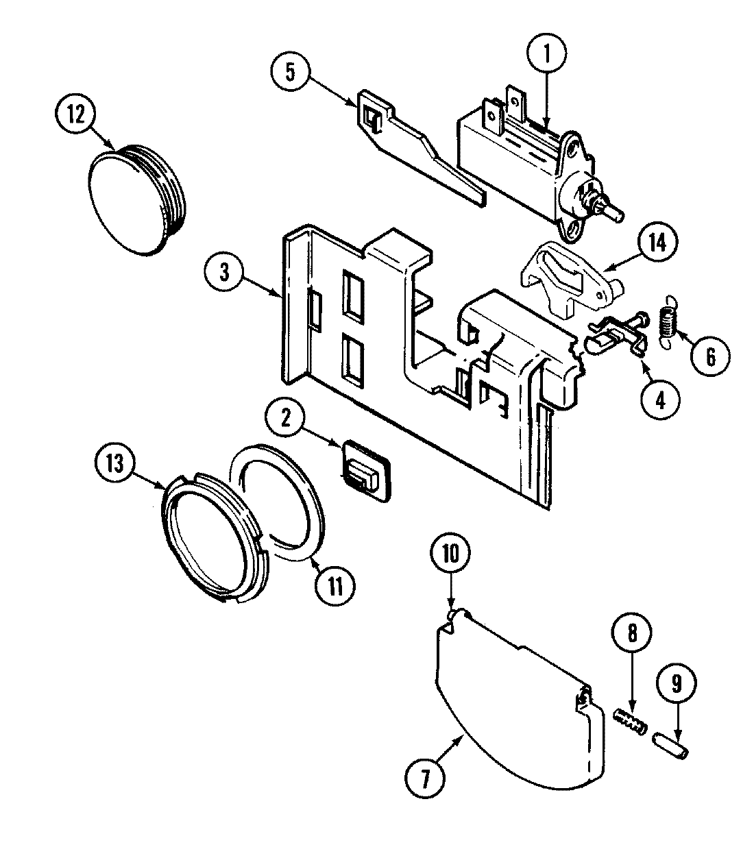
DU2JB 05 – SOAP DISPENSER (DU2JB)admin2025-04-26T09:37:55+00:00DU2JB 05 – SOAP DISPENSER (DU2JB) ProductsPositionProduct1WP902899 Whirlpool Dishwasher Wax Motor2MAY 9125592MAY Y9131913WP99001288 Whirlpool Dishwasher Retainer3MAY Y9126734WP99001291 Whirlpool Dishwasher Latch4MAY Y9126745MAY Y9126755MAY 990012896WPW10116816 Whirlpool Dishwasher Spring7MAY 9034838MAY Y9125479WP6-912678 Whirlpool Hinge Pin10WPY912679 Whirlpool Dishwasher Hinge Pin11MAY Y91283512MAY Y91309213MAY Y91306014MAY 99001287