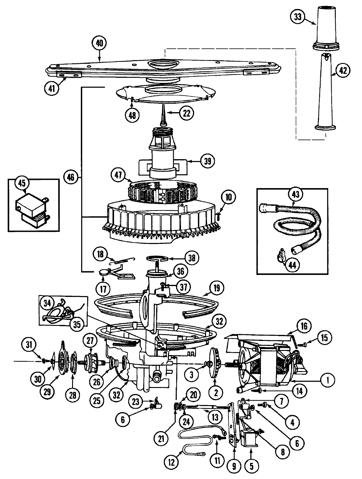
| 1 | MAY 99001070 |
| 1 | WPW10339879 Whirlpool Wire Tie |
| 1 | MAY 903936 |
| 2 | MAY Y912903 |
| 2 | MAY 99001145 |
| 3 | MAY Y913174 |
| 3 | MAY Y913173 |
| 5 | WP6-904023 Whirlpool Drain Solenoid |
| 6 | MAY Y913109 |
| 7 | MAY 913099 |
| 8 | MAY Y913201 |
| 9 | MAY Y913203 |
| 10 | MAY 912622 |
| 12 | MAY 903882 |
| 13 | MAY 913105 |
| 14 | MAY Y912892 |
| 15 | WP179051 Whirlpool Screw |
| 16 | MAY Y912931 |
| 17 | MAY Y913135 |
| 18 | MAY Y913134 |
| 19 | MAY 912529 |
| 20 | MAY 913106 |
| 21 | WP913108 Whirlpool Dishwasher Seal |
| 22 | MAY Y912930 |
| 23 | MAY Y913200 |
| 24 | MAY 913110 |
| 25 | MAY 903494 |
| 26 | MAY 903493 |
| 27 | MAY 903962 |
| 28 | MAY Y912901 |
| 29 | MAY Y912913 |
| 30 | MAY Y912909 |
| 30 | MAY Y913274 |
| 31 | MAY 913275 |
| 32 | MAY Y912902 |
| 33 | WPY912899 Whirlpool Dishwasher Center Spray Nozzle |
| 34 | MAY Y912924 |
| 35 | NOT REQUIRED PART OR SEE NOTE FUSE (NOT REQUIRED) |
| 35 | MAY Y913202 |
| 36 | MAY Y912915 |
| 37 | MAY Y912891 |
| 38 | MAY Y912904 |
| 39 | MAY Y912900 |
| 40 | MAY 904026 |
| 41 | MAY Y912895 |
| 42 | WPY912912 Whirlpool Dishwasher Spray Tower |
| 43 | WPY913158 Whirlpool Dishwasher Drain Hose |
| 44 | MAY 200900 |
| 45 | MAY 912612 |
| 45 | MAY 903482 |
| 45 | MAY Y913156 |
| 46 | MAY 903486 |
| 47 | MAY Y913131 |
| 48 | MAY Y913133 |