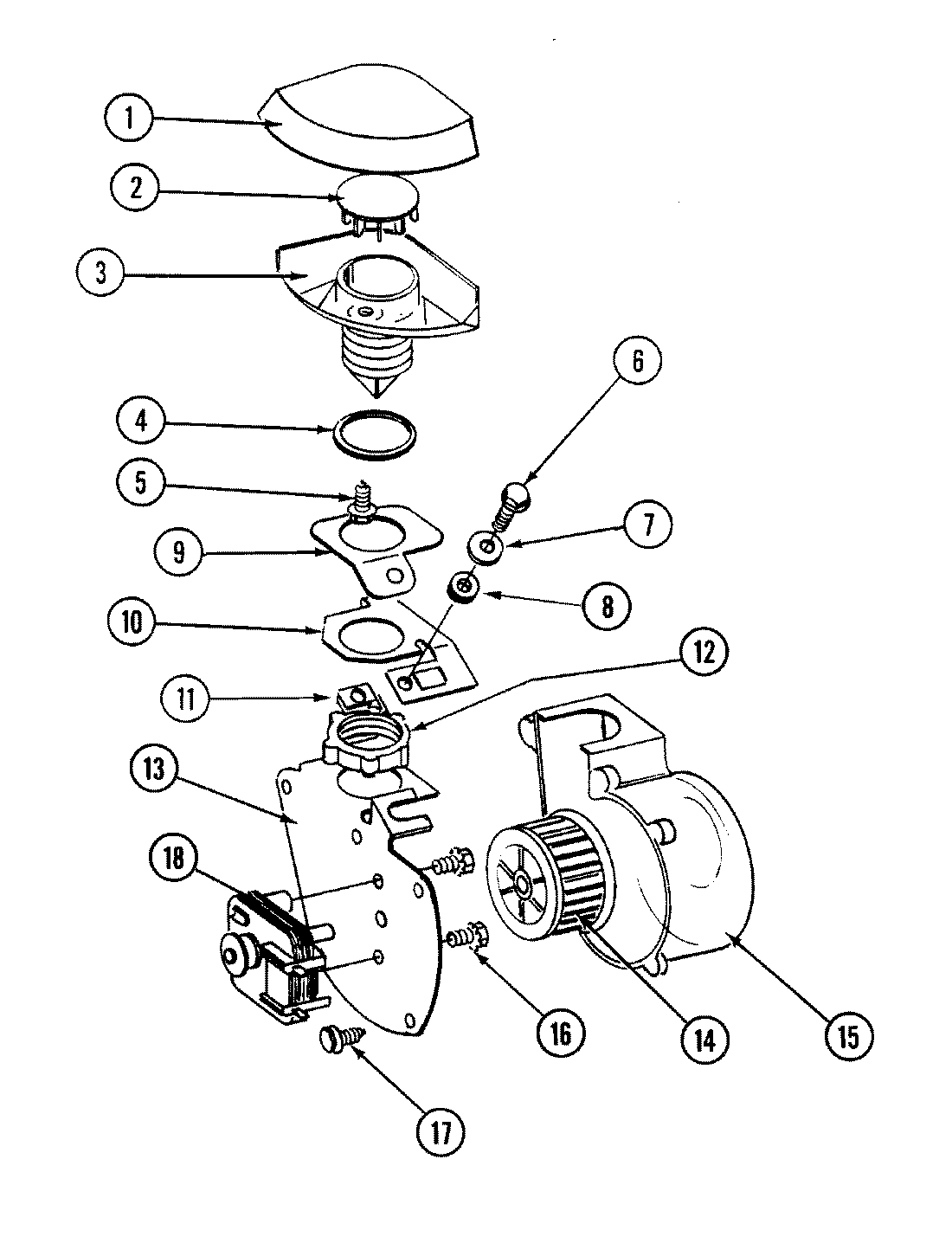
DU450-C 01 – BLOWER ASSEMBLYadmin2025-04-26T09:37:31+00:00DU450-C 01 – BLOWER ASSEMBLY ProductsPositionProduct1MAY Y7570812MAY Y7570913MAY 7570854MAY Y7572335MAY 7572346MAY Y7572357MAY 7572368MAY 7572379MAY 75723810MAY Y75723911MAY 75724012MAY Y75724113MAY 75724214MAY Y75702815MAY Y75724316MAY Y75724417MAY 75724518MAY Y75702919MAY Y75724619MAY Y757371