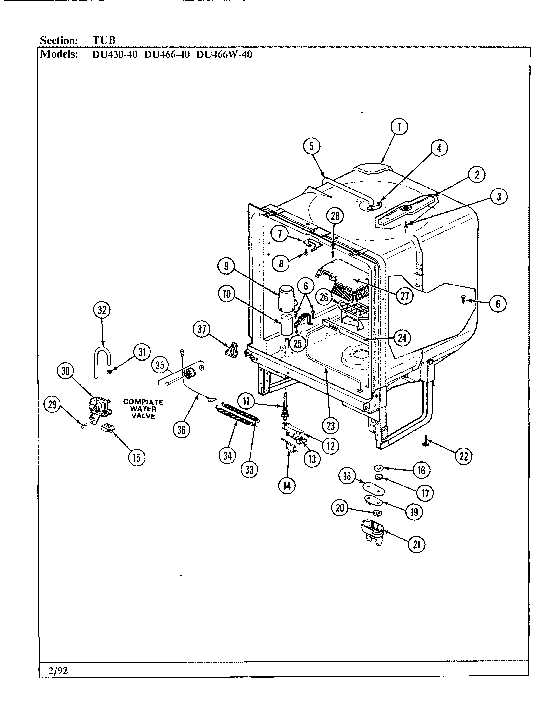
DU466-40 05 – TUBadmin2025-04-26T09:40:19+00:00DU466-40 05 – TUB ProductsPositionProduct1MAY 2585-00012MAY 2020-00033MAY 3005-00304MAY 3120-00025MAY 2530-00146MAY 3005-01157MAY 2645-00058MAY 030000019MAY 2275-000910MAY 2410-000211MAY 3085-000112MAY 2145-002613MAY 2275-002014MAY 3135-000516MAY 3280-000917MAY 2480-000318MAY 2590-000519MAY 2145-002520MAY 2735-000921MAY 2080-000222MAY 2650-000223MAY 2350-000224MAY 0300007925MAY 0300007826MAY 2205-000327MAY 2275-000828MAY 3005-003429MAY 3005-004630MAY 2250-000230MAY 3255-000931MAY 2235-000432MAY 2530-000433MAY 3070-000634MAY 3070-001635MAY 2955-001036MAY Y0300010837MAY 2045-000537MAY 2275-000237MAY 2045-0006