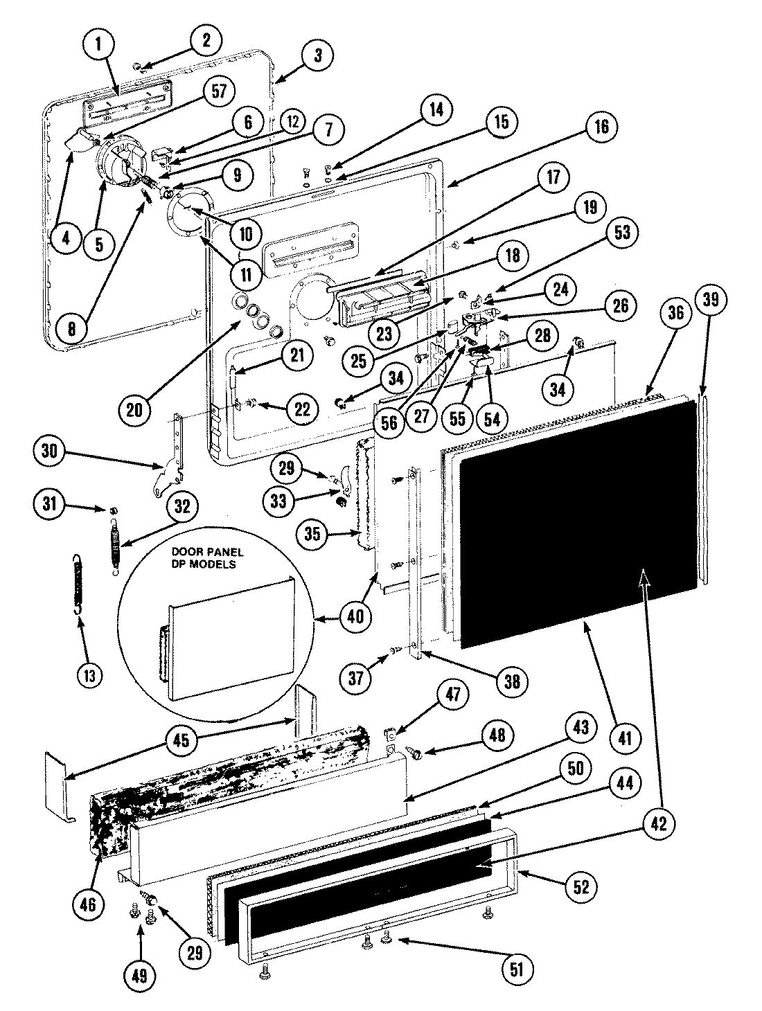
DU470 03 – DOORadmin2025-04-26T09:41:14+00:00DU470 03 – DOOR ProductsPositionProduct1MAY Y7570872MAY 7572563MAY Y7570364MAY 7572575MAY Y7570636MAY Y7572587MAY 7572598MAY Y7572609MAY Y75726110MAY Y75726211MAY Y75726312MAY Y75739413MAY Y75738014MAY Y75701515MAY 75726616MAY Y75704217MAY 75726718MAY Y75708619MAY Y75726820MAY Y75716021MAY 75727022MAY Y75727123MAY Y75727224MAY Y75719125MAY Y75708826MAY 75704327MAY Y75727428MAY 75702729MAY Y75722930MAY Y75727631MAY Y75727732MAY Y75701633MAY Y75727934MAY 75727535MAY 75709636MAY 75728137MAY Y75728038MAY 75710339MAY 75710240MAY Y75706141MAY 75713441MAY Y75710041MAY Y75713242MAY 75705942MAY Y75705843MAY Y75706244MAY Y75713344MAY Y75710144MAY 75713545MAY Y75728246MAY 75728347MAY 75728448MAY Y75728549MAY Y75722350MAY 75728751MAY Y75728852MAY 75709053MAY Y75738954MAY 75739055MAY 75739256MAY Y75731257MAY Y757395