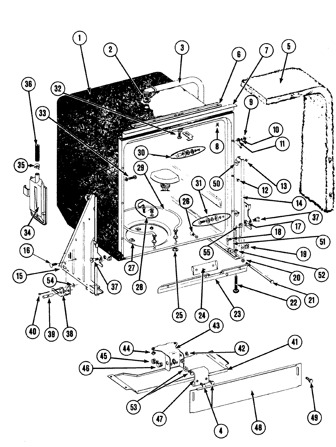
DU470 09 – TUB ASSEMBLYadmin2025-04-26T09:39:23+00:00DU470 09 – TUB ASSEMBLY ProductsPositionProduct1MAY 7570342MAY Y7571593MAY 7570464MAY 7572664MAY Y7573145MAY Y7570976MAY 7573157MAY Y7573168MAY 7573179MAY Y75720311MAY Y75720112MAY Y75732113MAY Y75731914MAY 75732315MAY 75732416MAY Y75732517MAY Y75732618MAY Y75722919MAY Y75732720MAY Y75732821MAY Y75732922MAY Y75733023MAY 75733123MAY 75733224MAY Y75733325MAY Y75733426MAY 75733527MAY 75730828MAY 75733729MAY Y75701030MAY Y75701431MAY Y75733832MAY Y75733933MAY 75734034MAY Y75734135MAY Y75724736MAY Y75707737MAY Y75734338MAY Y75734439MAY Y75734540MAY Y75734641MAY Y75734842MAY 75734943MAY 75735044MAY 75735146MAY 75735347MAY Y75735448MAY Y75709549MAY Y75722350MAY 75739751MAY 75740052MAY Y75739953MAY Y75740154MAY Y75739655MAY Y757398