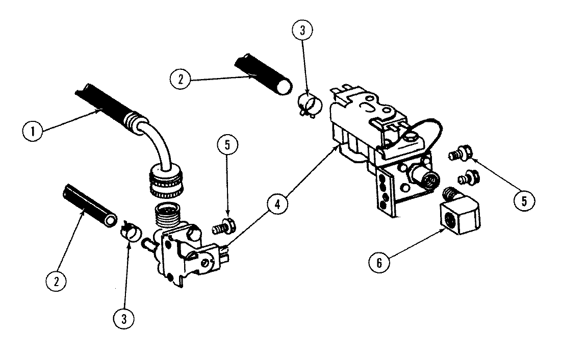
DU470 10 – WATER VALVEadmin2025-04-26T09:38:30+00:00DU470 10 – WATER VALVE ProductsPositionProduct2MAY Y7570773MAY Y7572474MAY Y7570325MAY 7572486MAY 757249