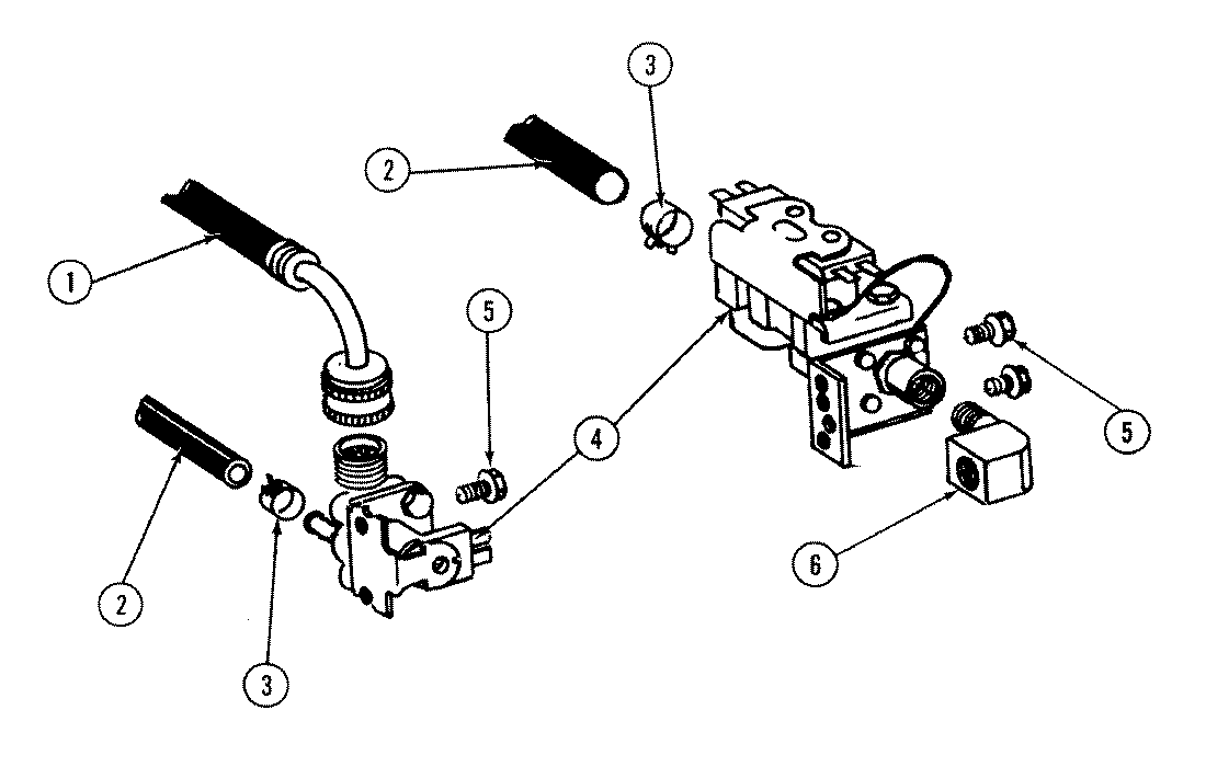
DU470-C 10 – WATER VALVEadmin2025-04-26T09:40:37+00:00DU470-C 10 – WATER VALVE ProductsPositionProduct2MAY Y7570773MAY Y7572474MAY Y7570325MAY 7572486MAY 757249