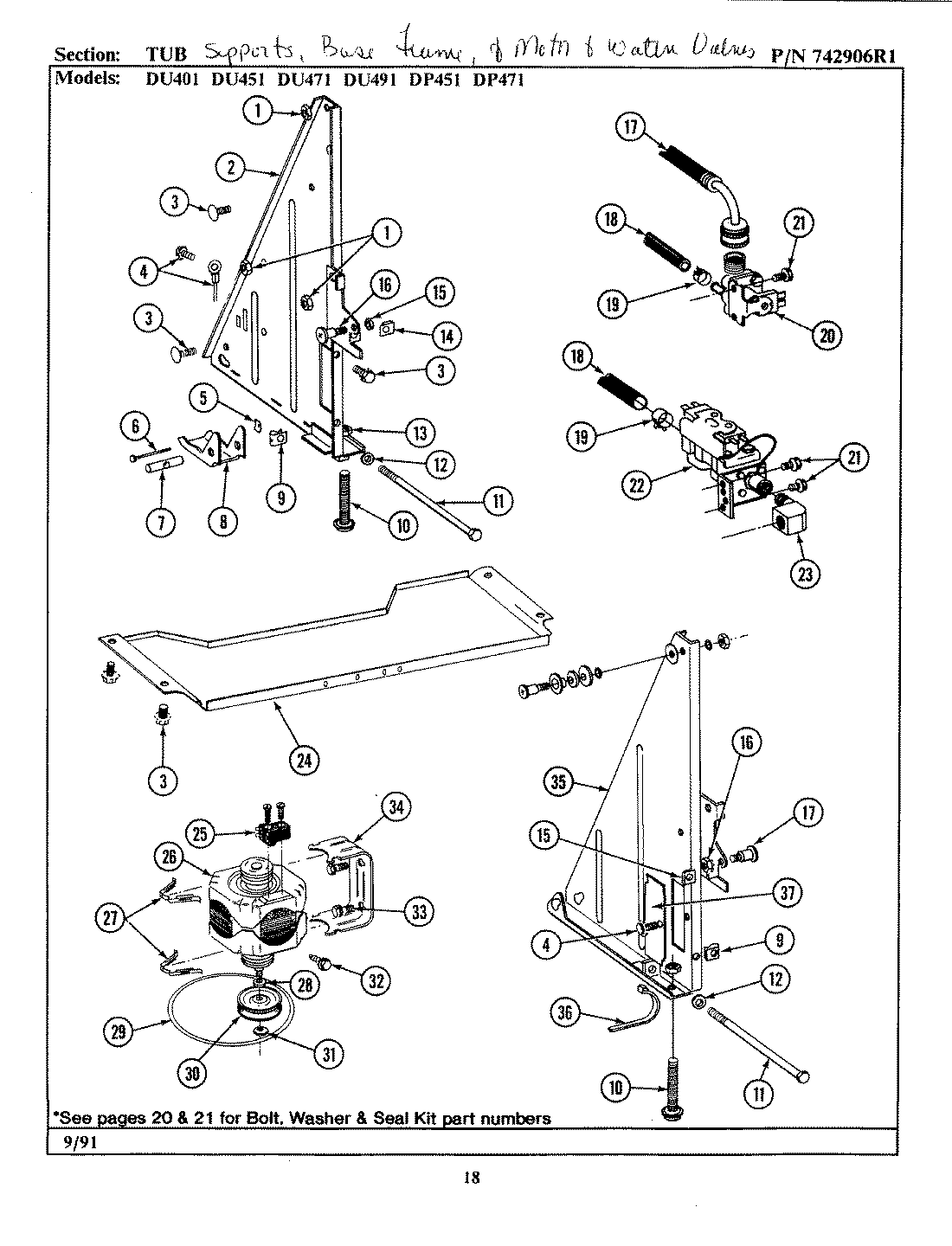
DU471 10 – TUB ASSEMBLY