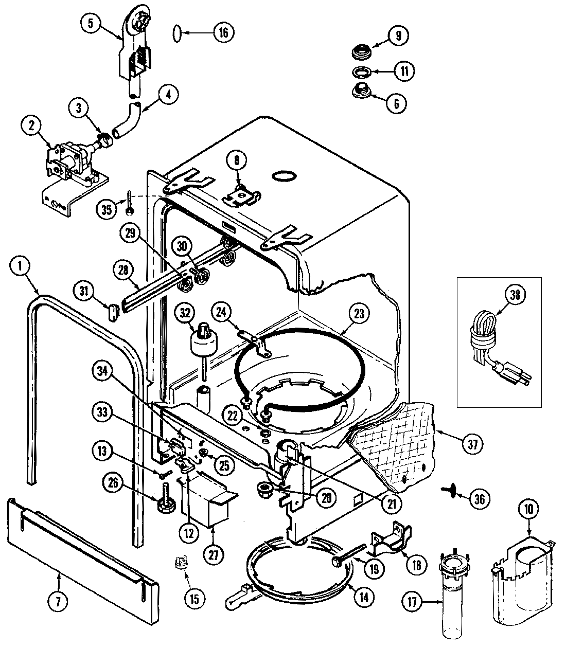
DU4JV-CAN 06 – TUB