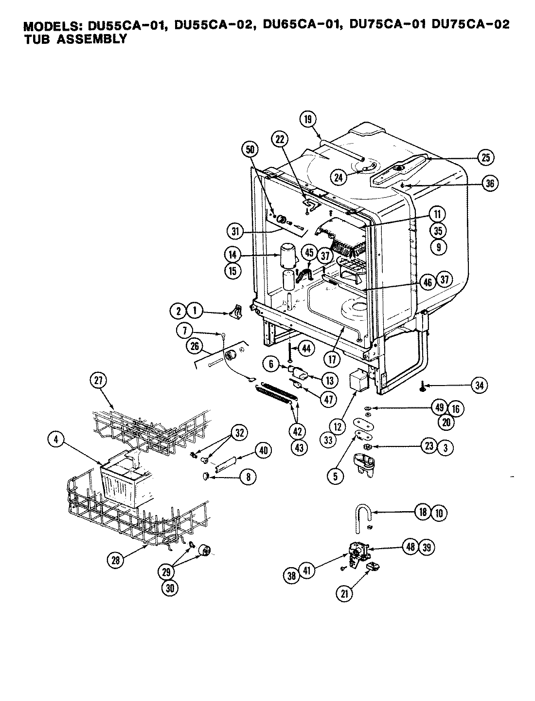
DU55CA-02 04 – TUB ASSEMBLYadmin2025-04-26T08:39:06+00:00DU55CA-02 04 – TUB ASSEMBLY ProductsPositionProduct1MAY 2045-00062MAY 2045-00053MAY 2080-00024MAY 2090-00015MAY 2145-00256MAY 2145-00267MAY 2190-00018MAY 2355-00029MAY 2205-000310MAY 2235-000411MAY 2275-000812MAY 2275-000213MAY 2275-002014MAY 2275-000915MAY 2410-000216MAY 2480-000317MAY 2350-000218MAY 2530-000419MAY 2530-001420MAY 2590-000521MAY 2590-000422MAY 2645-000523MAY 2735-000924MAY 3120-000225MAY 2020-000326MAY 2955-001027MAY 2905-001028MAY 2905-000929MAY 2955-000730MAY 2955-000831MAY 2955-000932MAY 2955-001133MAY 3005-000734MAY 2650-000235MAY 3005-003436MAY 3005-003037MAY 3005-002738MAY 3005-004639MAY 3005-007640MAY 3045-000241MAY 2250-000242MAY 3070-000643MAY 3070-001644MAY 3085-000145MAY 3130-000346MAY 3130-000447MAY 3135-000548MAY 3255-000949MAY 3280-000950MAY 3280-0003