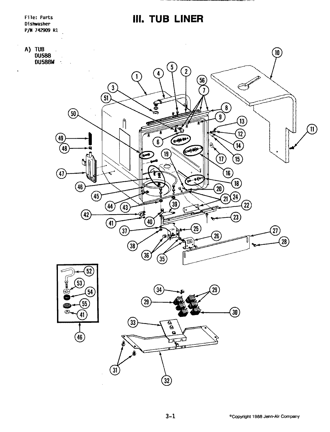
DU588W 10 – TUB ASSEMBLYadmin2025-04-26T08:39:08+00:00DU588W 10 – TUB ASSEMBLY ProductsPositionProduct1MAY 7570342MAY 7573153MAY Y7571594MAY 7570465MAY Y7573146MAY Y7570827MAY Y7570318MAY Y7573169MAY 75731710MAY Y75709711MAY Y75732512MAY Y75720313MAY Y75731914MAY Y75720115MAY Y75732116MAY Y75701417MAY 75739718MAY Y75733819MAY 75733520MAY 75750121MAY Y75733322MAY 75733123MAY Y75722924MAY 75750225MAY 75734926MAY Y75735427MAY Y75709528MAY Y75722329MAY Y75746730MAY 75746831MAY Y75752832MAY Y75734833MAY 75747534MAY 75736935MAY Y75740136MAY 75735337MAY 75735038MAY 75735139MAY Y75744440MAY 75749441MAY Y75749242MAY 75744343MAY Y75733444MAY 75730845MAY Y75701046MAY 75733747MAY Y75734148MAY Y75724749MAY Y75707750MAY 75734051MAY Y75733952MAY 75749753MAY 75749554MAY 75749655MAY Y75749956MAY Y757489