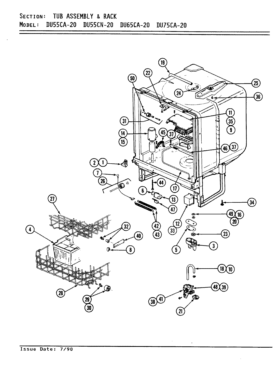
DU65CA-20 04 – TUB ASSEMBLY