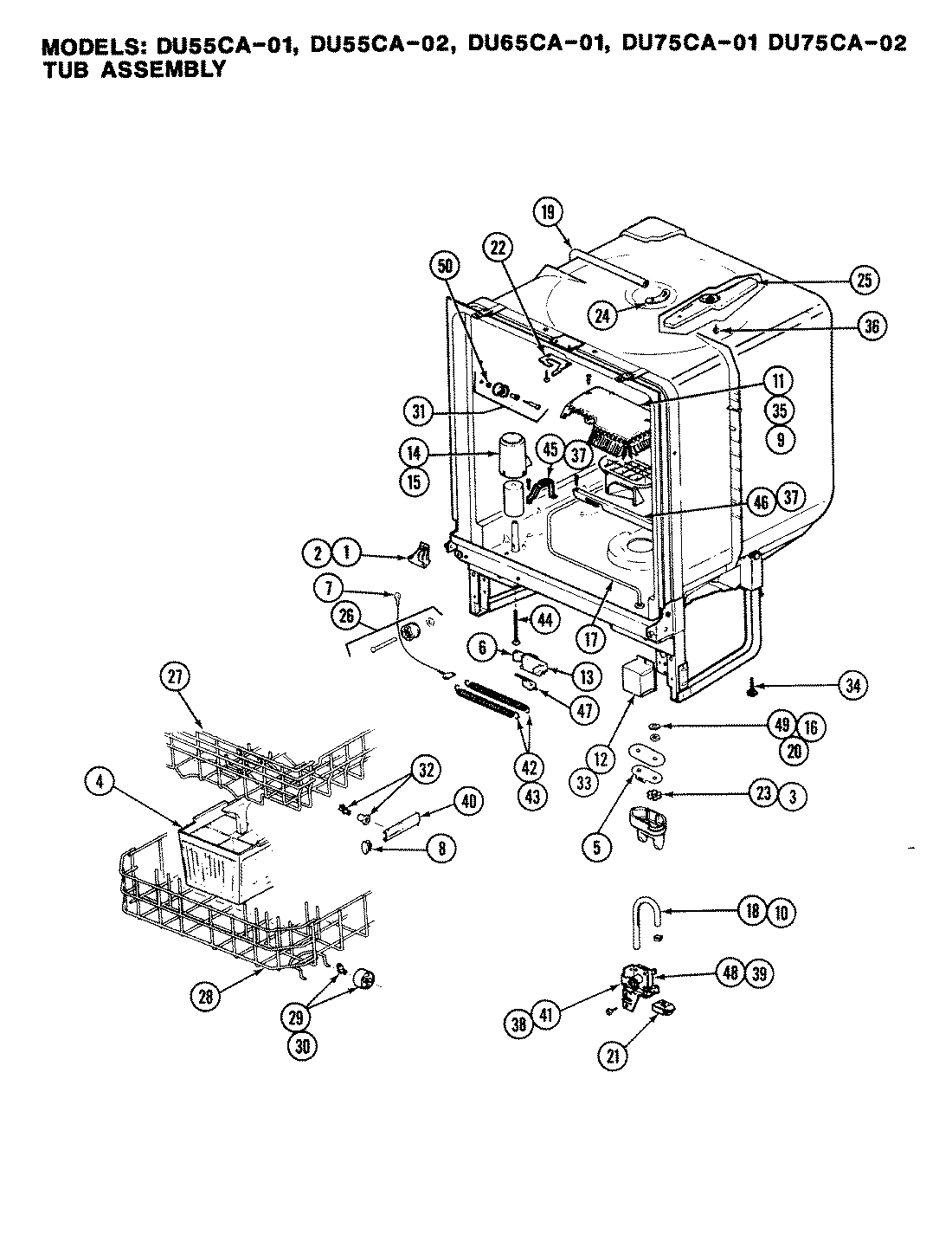
DU75CA-02 04 – TUB ASSEMBLY