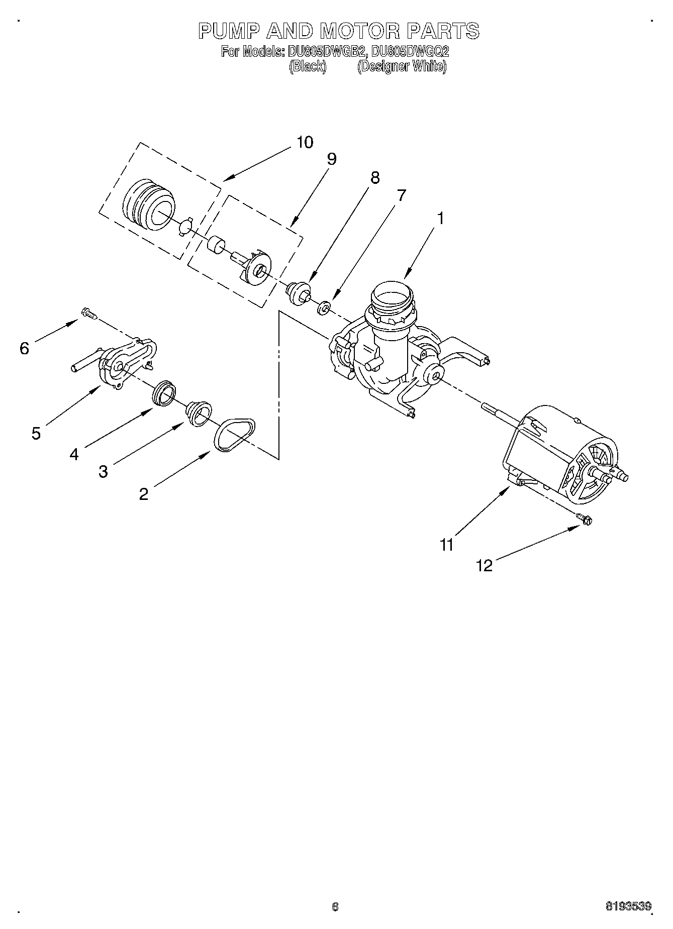
DU805DWGB2 05 – PUMP AND MOTORadmin2025-04-26T11:08:28+00:00DU805DWGB2 05 – PUMP AND MOTOR ProductsPositionProduct1WP3369011 Whirlpool Dishwasher Housing2WP3369031 Whirlpool Dishwasher Seal3Diaphragm4Ring, Diaphragm5Cover, Drain Valve6WP3368921 Whirlpool Screw7Seal Seat8WP3385557 Whirlpool Dishwasher Head Seal94386996A Whirlpool Dishwasher Impeller10WP3369012 Whirlpool Dishwasher Disk Mount11Motor123368922 Whirlpool Dishwasher TORX Screw