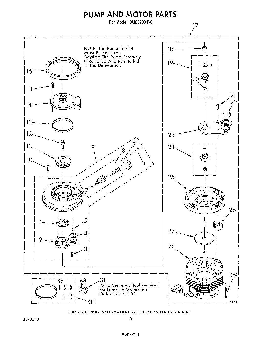
DU8570XT0 06 – PUMP AND MOTORadmin2025-04-26T11:52:29+00:00DU8570XT0 06 – PUMP AND MOTOR
Products
| Position | Product |
|---|
| 1 | Plate, Perforated (Includes Illus. 5) (Also Order Illus. No. 30) See Note A. |
| 2 | Base, Inlet (Includes Items 1 & 5) (Also Order Item 30) See Note A. |
| 3 | WP9741232 Whirlpool Dishwasher Screw |
| 4 | WP302710 Whirlpool Dishwasher Ring Seal |
| 5 | Ball, Check |
| 7 | Cover, Valve |
| 8 | Valve Stem Kit (Includes Items 12, 13 & 22) See Note A. |
| 9 | Separator Assembly (Includes Items 12, 13 & 22) See Note A. |
| 10 | Screw, 8-18 x 1-5/8 St. Stl. (4) |
| 12 | WP3371152 Whirlpool Dishwasher Screw |
| 13 | WP302711 Whirlpool Dishwasher Ring Seal |
| 14 | Outlet, Pump (Includes Illus. 13) |
| 16 | 717000 Whirlpool Dishwasher Gasket |
| 17 | Pump & Motor Assembly (Includes Illus. 41) |
| 18 | Bushing, Grind |
| 19 | 675806 Whirlpool Dishwasher Pump Impeller and Seal Kit |
| 20 | Sleeve, Drain Impeller |
| 22 | Seal, Drain Cover |
| 23 | Cover, Drain (Includes Item 33) (Also Order Item 30) See Note A. |
| 25 | Base, Pump (Includes Item 24) (Also Order Item 30) See Note A. |
| 26 | WP3367197 Whirlpool Dishwasher Support |
| 27 | W10909679 Whirlpool Dishwasher Slinger |
| 28 | Motor (Includes Illus. 24 & 27) (Also Order Illus. No. 30) See Note A. (Fo |
| 29 | Screw (4) |
| 30 | Pump Seal Kit (Includes Items 4, 12, 13 & 22) |
| 31 | Tool, Pump Centering |