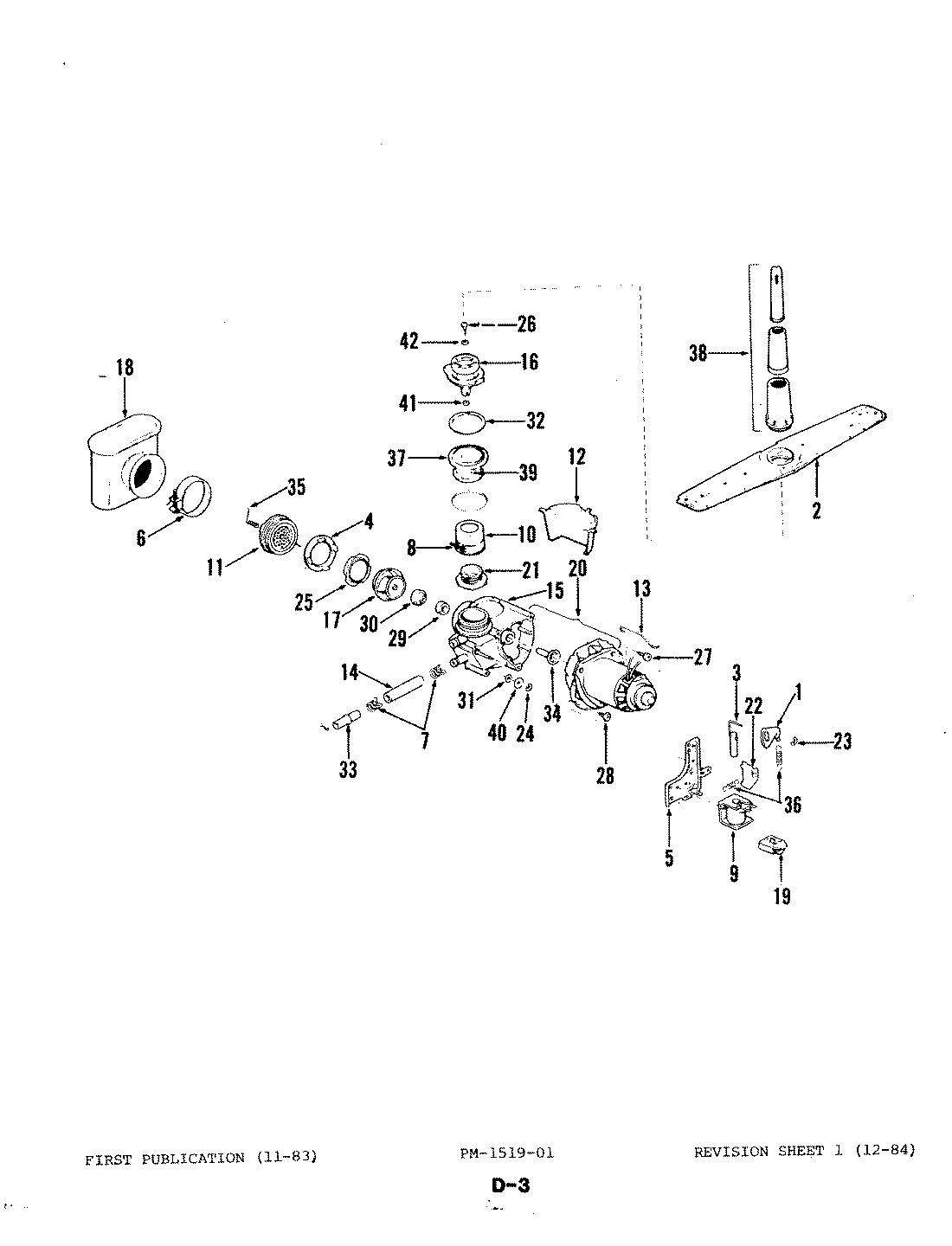
DU95A-01 02 – MOTOR & PUMPadmin2025-04-26T08:39:09+00:00DU95A-01 02 – MOTOR & PUMP ProductsPositionProduct1MAY 2020-00012MAY 2020-00023MAY 2025-00014MAY 2085-00015MAY 2145-00016MAY 2235-00067MAY 2235-00048MAY 2235-00029MAY 2250-000110MAY 2260-000311MAY 2465-000212MAY 2485-000113MAY 2510-000214MAY 2530-000115MAY 2535-000116MAY 2540-000217MAY 2560-000318MAY 2575-000219MAY 2590-000120MAY 2720-000121MAY 2735-000522MAY 2845-000123MAY 2940-000124MAY 2945-000625MAY 2945-000126MAY 3005-000427MAY 3005-000228MAY 3005-007429MAY 3010-000330MAY 3010-000431MAY 3010-000232MAY 3010-000533MAY 3040-000134MAY 3050-000135MAY 3070-000136MAY 3070-000237MAY 3130-001238MAY 3175-000239MAY 3255-000140MAY 3280-002441MAY 3280-000342MAY 3280-0002