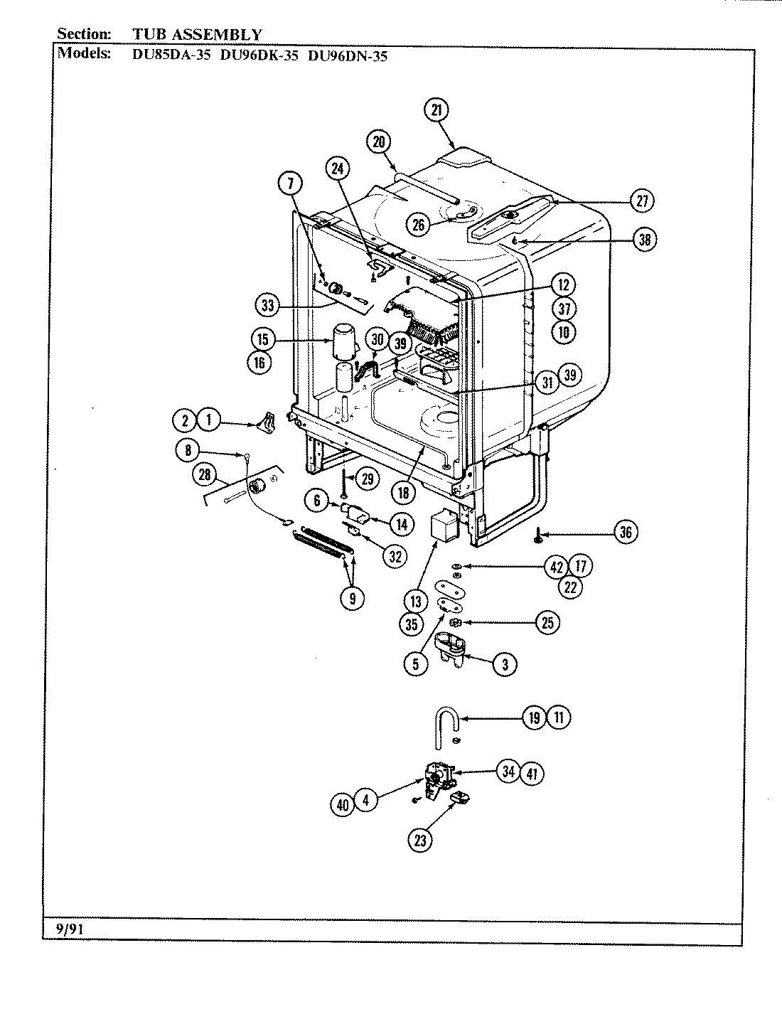
DU96DN-35 05 – TUB ASSEMBLYadmin2025-04-26T08:39:19+00:00DU96DN-35 05 – TUB ASSEMBLY ProductsPositionProduct1MAY 2045-00062MAY 2045-00053MAY 2080-00024MAY 2250-00025MAY 2145-00256MAY 2145-00267MAY 3280-00038MAY Y030001089MAY 3070-000610MAY 2205-000311MAY 2235-000412MAY 2275-000813MAY 2275-000214MAY 2275-002015MAY 2275-000916MAY 2410-000217MAY 2480-000318MAY 2350-000219MAY 2530-000421MAY 2585-000122MAY 2590-000523MAY 2590-000424MAY 2645-000525MAY 2735-000926MAY 3120-000227MAY 2020-000328MAY 2955-001029MAY 3085-000130MAY 0300007831MAY 0300007932MAY 3135-000533MAY 2955-000934MAY 3255-000935MAY 3005-000736MAY 2650-000237MAY 3005-003438MAY 3005-003039MAY 3005-002740MAY 3005-004641MAY 3005-007642MAY 3280-0009