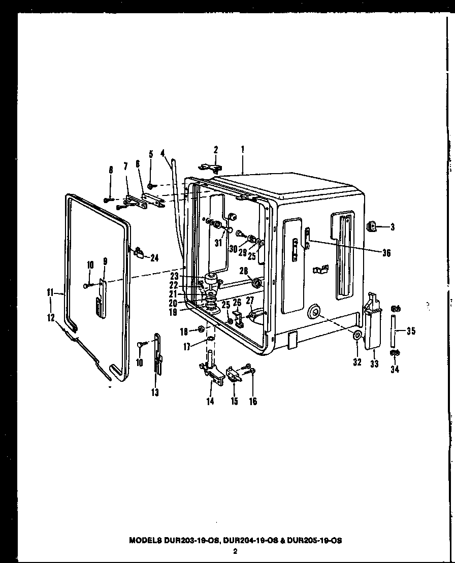
DUR20419-OS 05 – Page 1admin2025-04-26T08:39:08+00:00DUR20419-OS 05 – Page 1 ProductsPositionProduct1MAY 08081872MAY 08082893MAY 08062914MAY Y08060895MAY 08070366MAY 08070737MAY Y08070158MAY Y08068909MAY Y080747010MAY 080653911MAY Y080834512MAY 080834413MAY Y080747114MAY Y080767715MAY Y080768016MAY 080459417MAY Y080775918MAY 080334619MAY Y080806320MAY Y080806421MAY 080414922MAY Y080726823MAY Y080463024MAY Y080576325MAY 080577626MAY 080811527MAY Y080331928MAY 080566929MAY 080336730MAY 080718031MAY 080718132MAY Y080357333MAY Y080647034MAY Y080781335MAY 080789136MAY 0807038