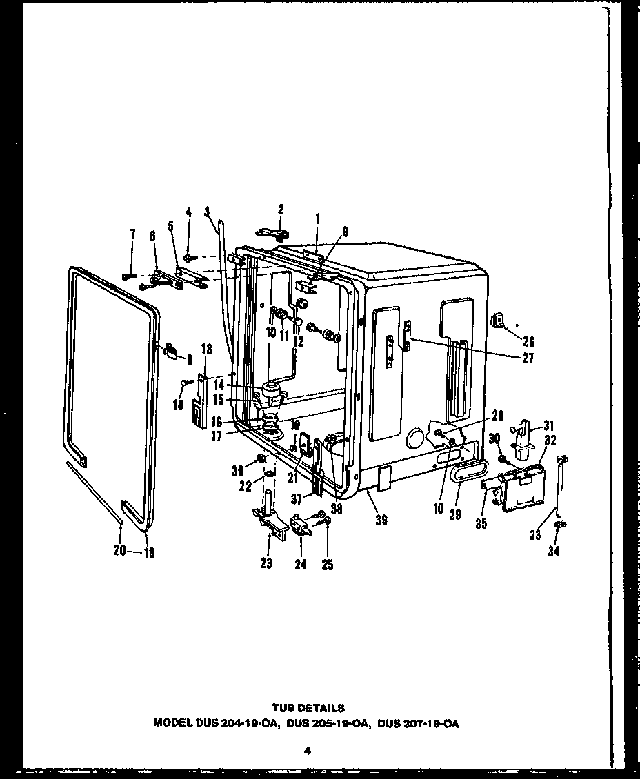
DUS20519-OA 06 – Page 2admin2025-04-26T08:39:29+00:00DUS20519-OA 06 – Page 2 ProductsPositionProduct1MAY 08088682MAY 08082893MAY Y08091124MAY 08069765MAY 08070736MAY Y08070157MAY Y08068908MAY Y08057639MAY Y080836610MAY 080904411MAY 080718012MAY 080856413MAY Y080747014MAY Y080463015MAY Y080726816MAY Y080806417MAY Y080806318MAY 080653919MAY Y080903420MAY 080834421MAY 080811522MAY Y080775923MAY Y080767724MAY Y080768025MAY 080459426MAY 080629127MAY 080703828MAY Y080690129MAY Y080679730MAY 080881831MAY 080870732MAY 080870633MAY 080789134MAY Y080781335MAY 080870536MAY 080334637MAY Y080747138MAY Y080331939MAY 080912740MAY 0809113