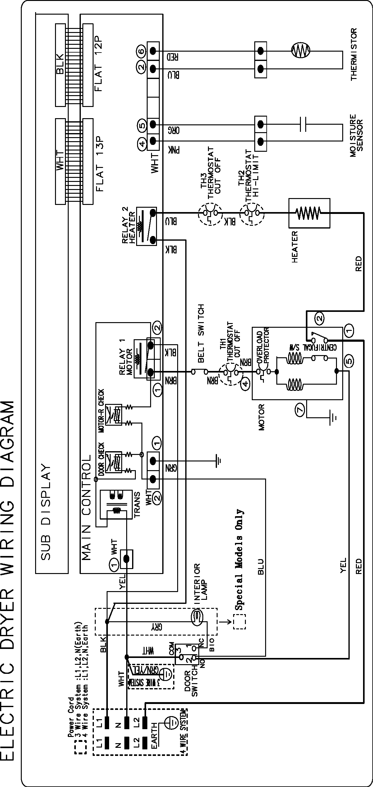
DV306LEW 07 – WIRING INFORMATIONadmin2025-04-26T08:39:35+00:00DV306LEW 07 – WIRING INFORMATION ProductsPositionProductNIMAY 15003915