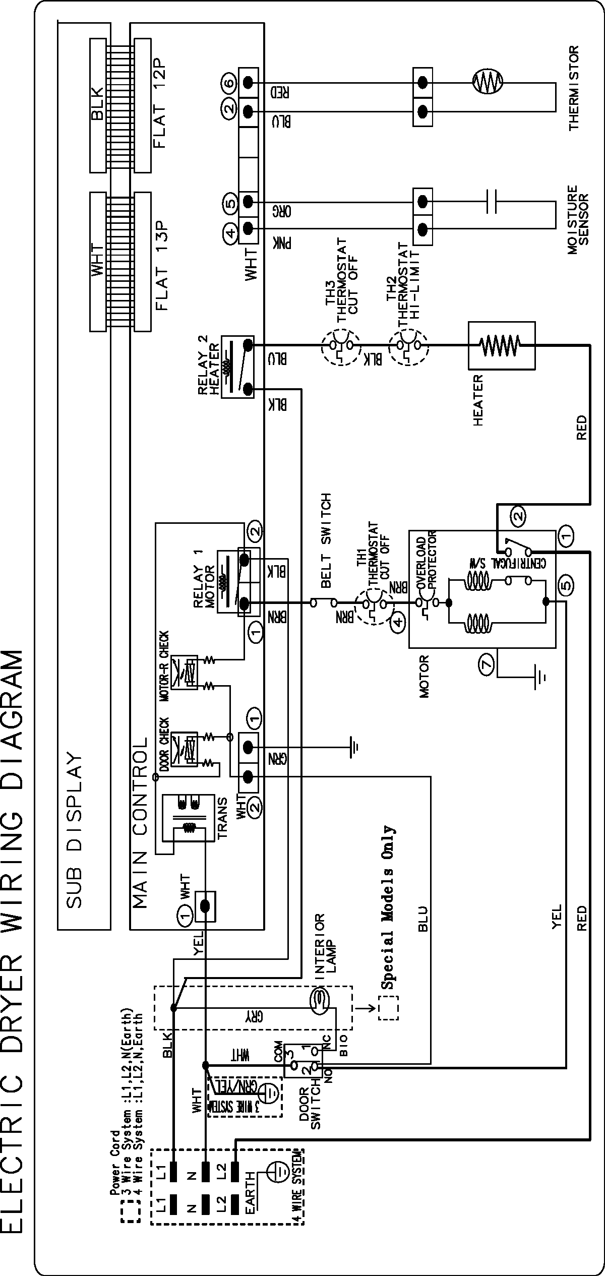
DV3C6BEW 07 – WIRING INFORMATION

DV3C6BEW 07 – WIRING INFORMATION

Products

PositionProduct
NIMAY 15003915