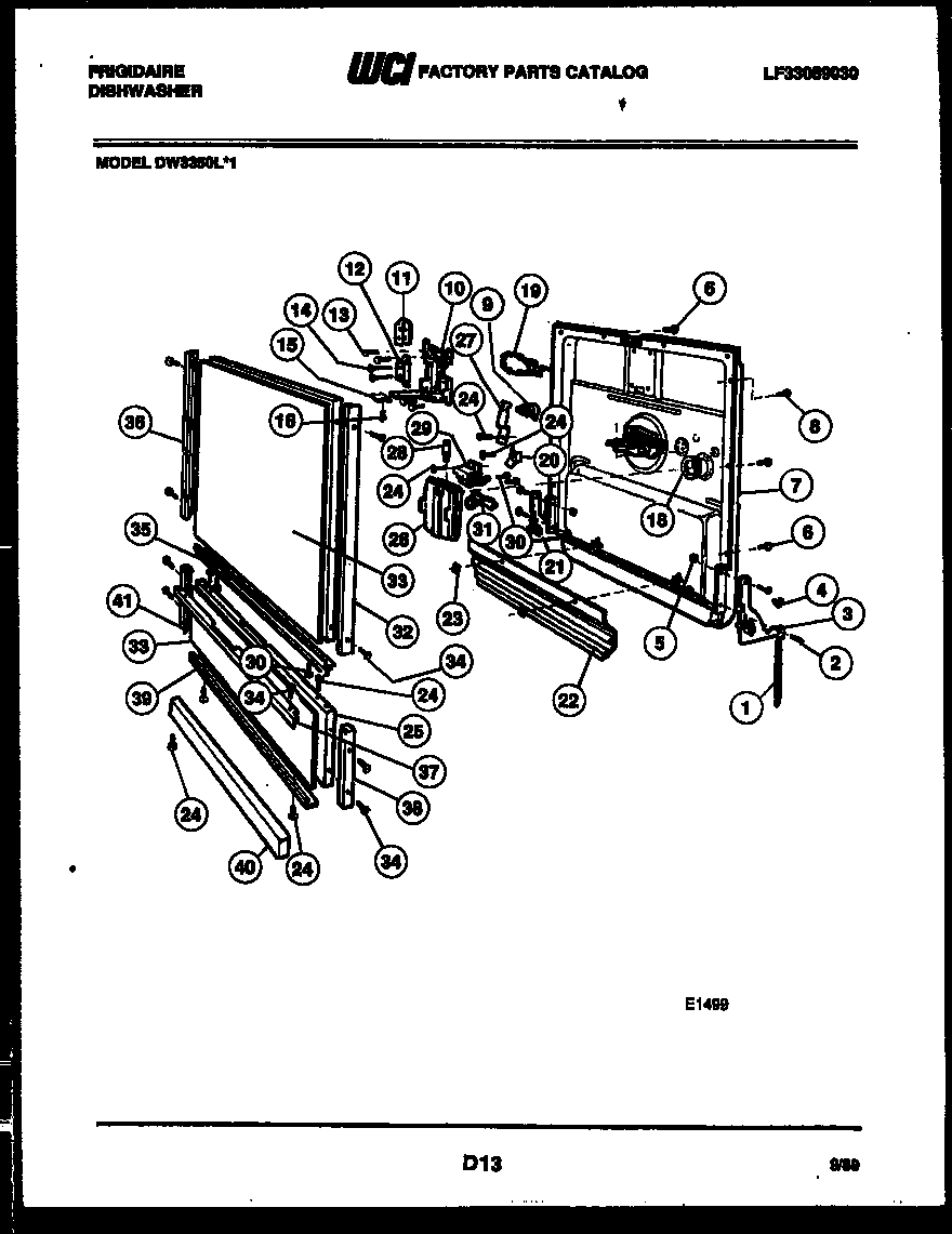
DW3350F1 02 – DOOR PARTS