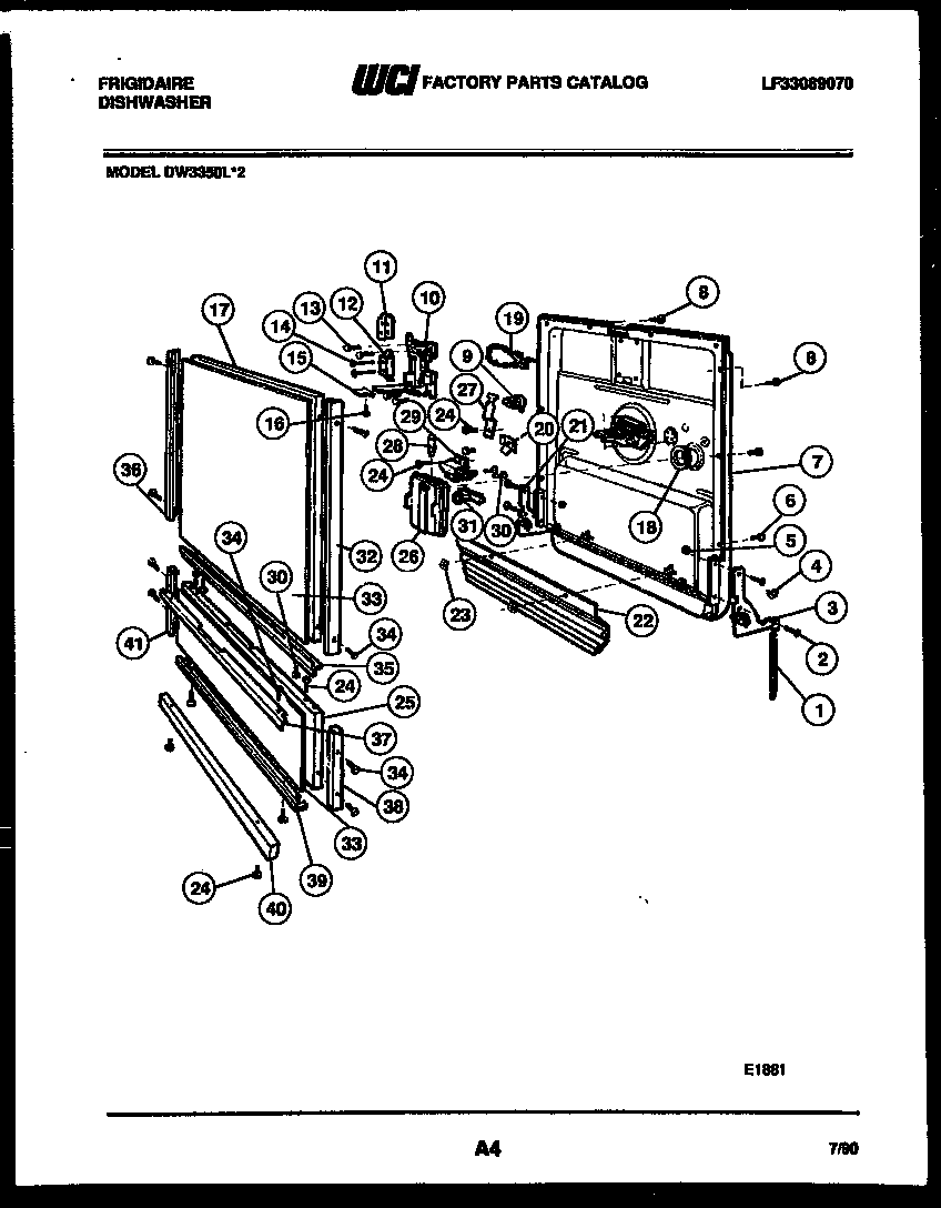
DW3350LF2 03 – DOOR PARTSadmin2025-04-26T08:54:19+00:00DW3350LF2 03 – DOOR PARTS ProductsPositionProduct1WCI 8093602WCI 30180563WCI 8056814WCI 30146665WCI 8084706WCI 8090557DOOR ASSY.8WCI 8087499WCI 80895610WCI 80701611WCI 301804112WCI 301804313WCI 80902914WCI 80861815WCI 80871216WCI 80916318WCI 80949019WCI 80907520WCI 301804721WCI 80568222WCI 80902523WCI 80902624WCI 80865826WCI 80675327WCI 80909728WCI 301817229WCI 80910930WCI 301806531WCI 80675532TRIM-RH DOOR PANEL33INSERTS-DOOR & ACCESS PANEL (BLACK)33INSERTS - DOOR & ACCESS PANEL PLATINUM33WCI 80891633INSERTS - DOOR & ACCESS PANEL TOAST34WCI 80975235WCI 80734736TRIM-LH-DOOR PANEL37TRIM - ACCESS TOP38WCI 80810339TRIM - ACCESS BOTTOM40WCI 80852241TRIM-LH ACCESS PNL