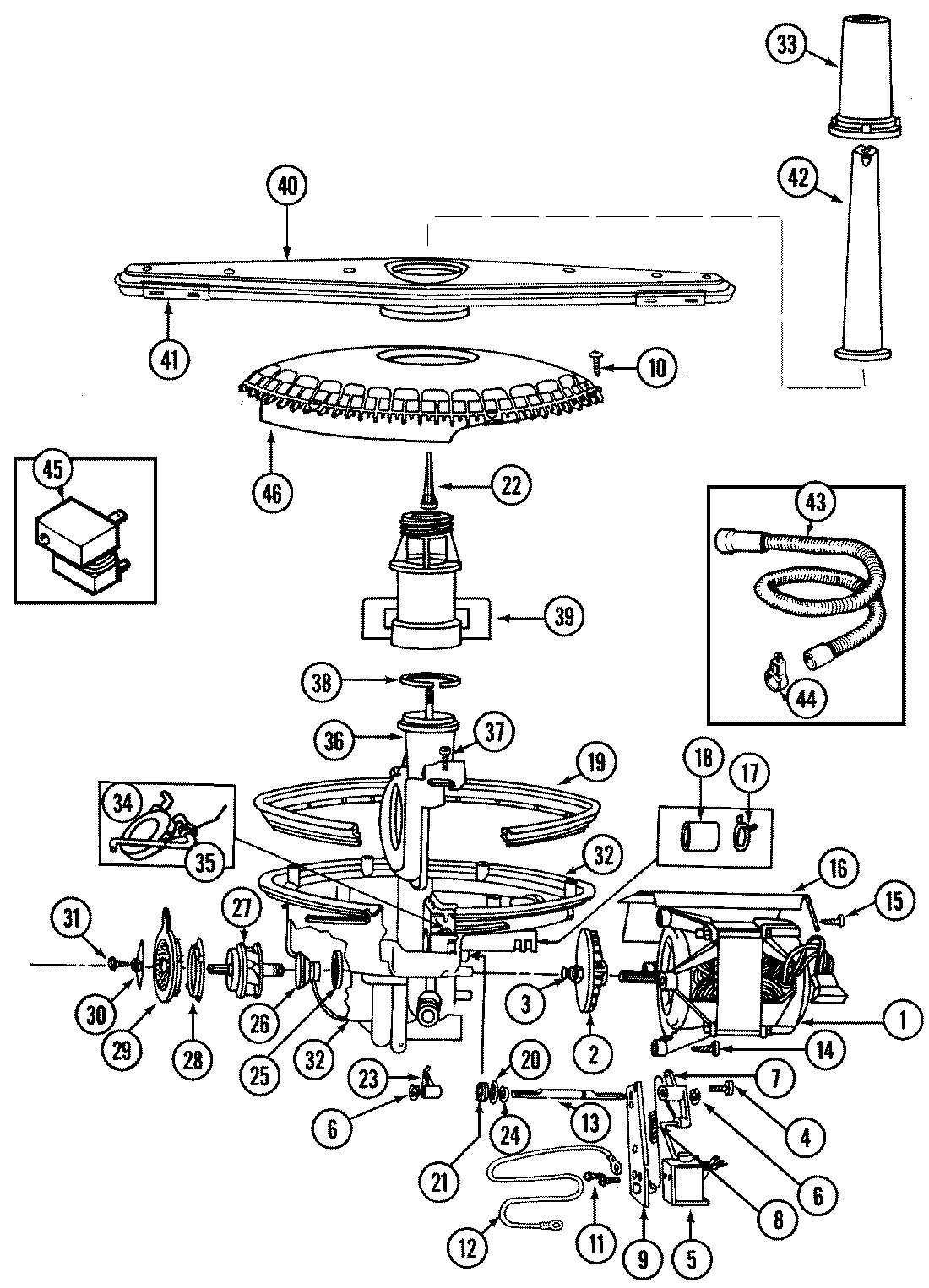
DW700B 03 – PUMP & MOTOR