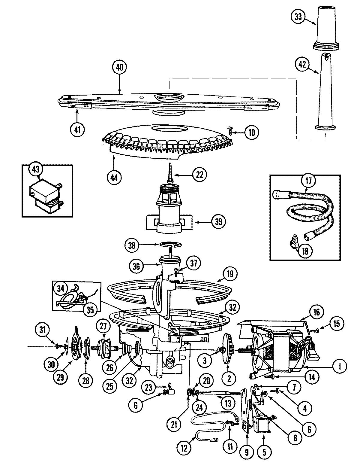
DW701B 03 – PUMP & MOTOR