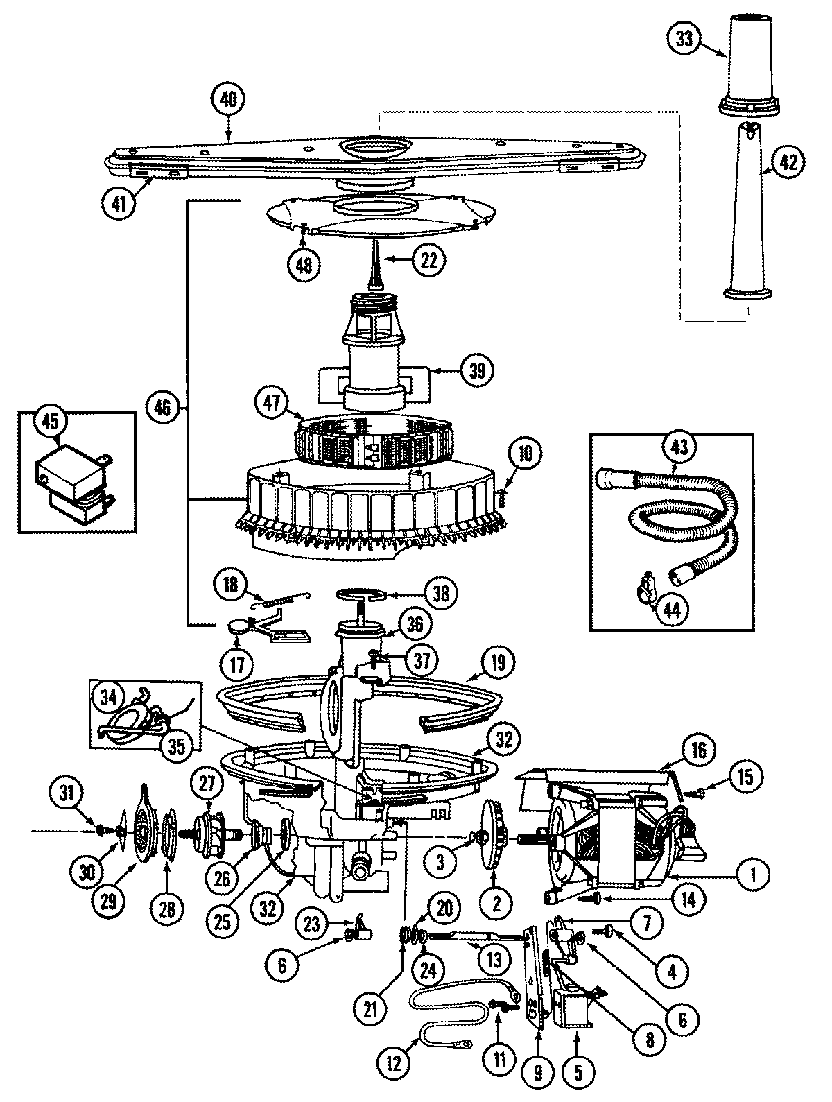
DW730B-CAN 04 – PUMP ASSEMBLYadmin2025-04-26T08:39:22+00:00DW730B-CAN 04 – PUMP ASSEMBLY ProductsPositionProduct1MAY 9039361MAY 990010702MAY 990011452MAY Y9129033MAY Y9131733MAY Y9131745WP6-904023 Whirlpool Drain Solenoid6MAY Y9131097MAY 9130998MAY Y9132019MAY Y91320310MAY 91262212MAY 91236512MAY 90388213MAY 91310514MAY Y91289215WP179051 Whirlpool Screw16MAY Y91293117MAY Y91313518MAY Y91313419MAY 91252920MAY 91310621WP913108 Whirlpool Dishwasher Seal22MAY Y91293023MAY Y91320024MAY 91311025MAY 90349426MAY 90349327MAY 90396228MAY Y91290129MAY Y91291330MAY Y91290930MAY Y91327431MAY 91327532MAY Y91290233WPY912899 Whirlpool Dishwasher Center Spray Nozzle34MAY Y91292435NOT REQUIRED PART OR SEE NOTE FUSE (NOT REQUIRED)35MAY Y91320236MAY Y91291537MAY Y91289138MAY Y91290439MAY Y91290040MAY 90402641MAY Y91289542WPY912912 Whirlpool Dishwasher Spray Tower43MAY Y91315944MAY 20090045MAY 91261245MAY 90348246MAY 90373647MAY Y91313148MAY Y913132