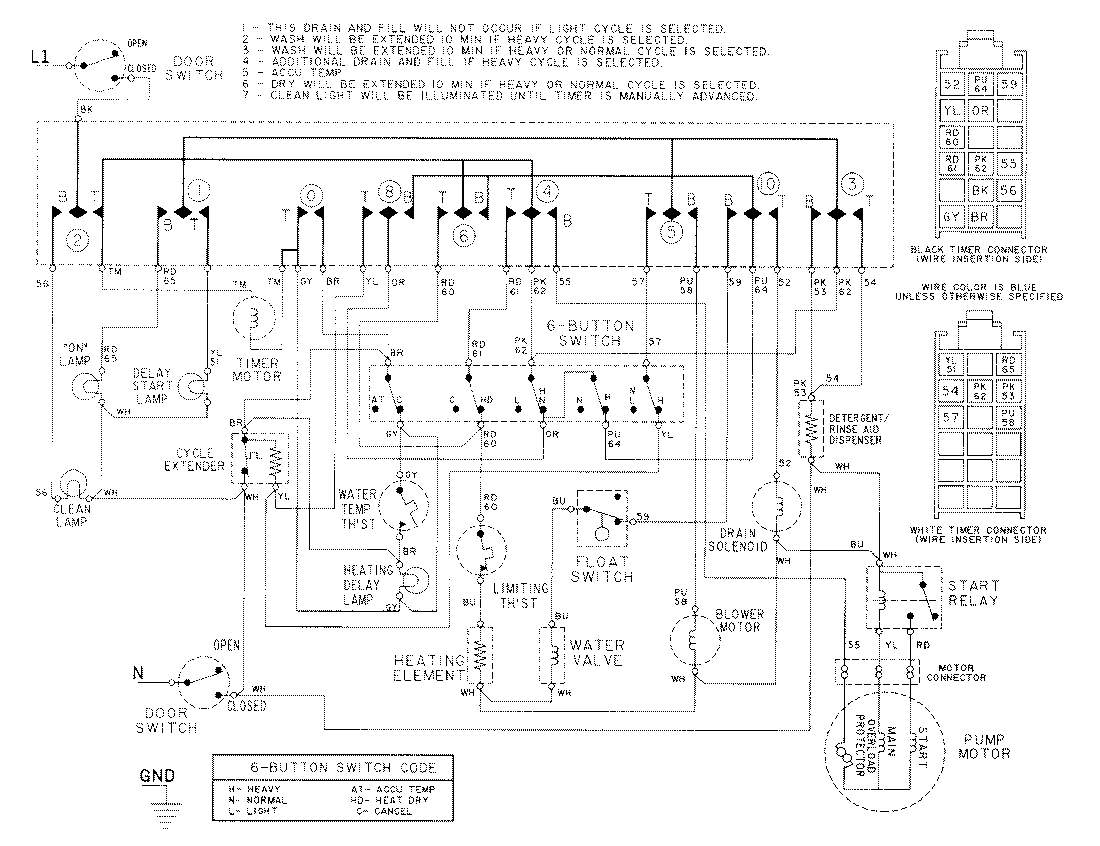
DW860A 07 – WIRING INFORMATIONadmin2025-04-26T08:39:32+00:00DW860A 07 – WIRING INFORMATION ProductsPositionProductNIMAY 15001536