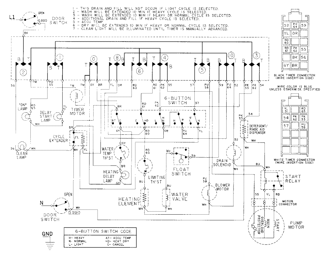
DW860B 08 – WIRING INFORMATIONadmin2025-04-26T08:39:38+00:00DW860B 08 – WIRING INFORMATION ProductsPositionProductNIMAY 15001536