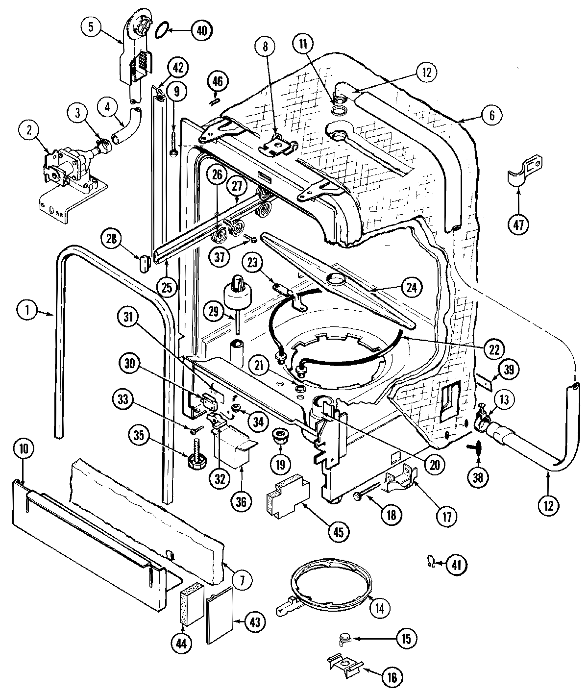
DW860UQB 07 – TUB