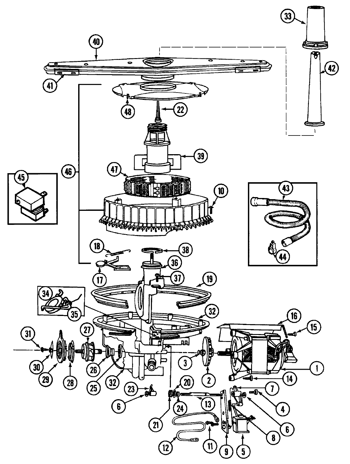
DW960B-CAN 04 – PUMP ASSEMBLY