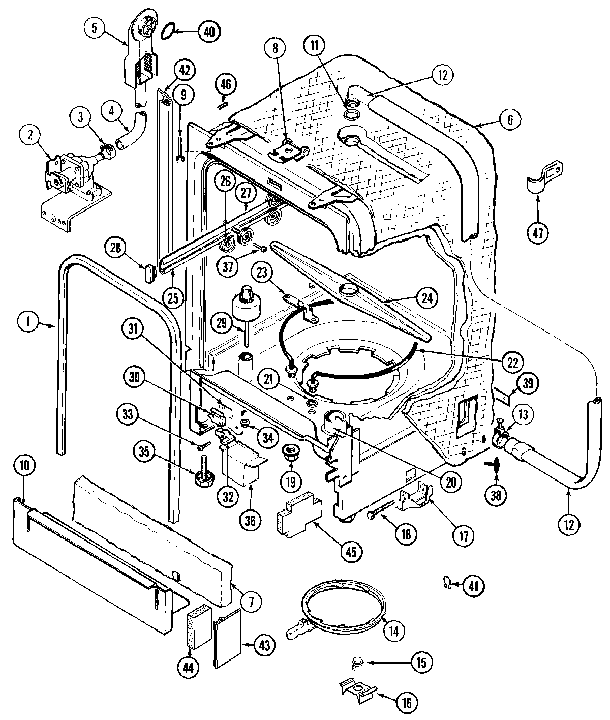
DW960UQB 07 – TUB