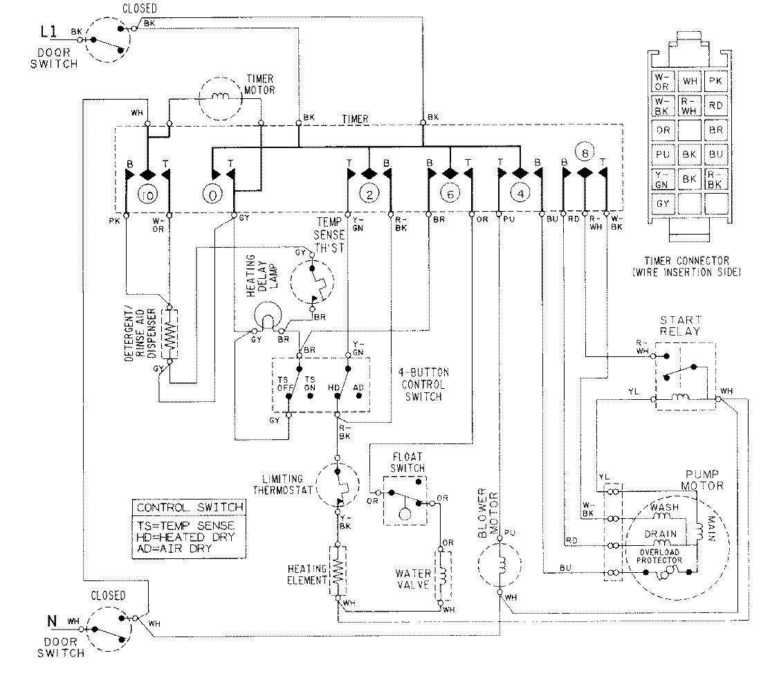
DWC8330AAW 09 – WIRING INFORMATIONadmin2025-04-26T08:45:07+00:00DWC8330AAW 09 – WIRING INFORMATION ProductsPositionProductNIMAY 15001678