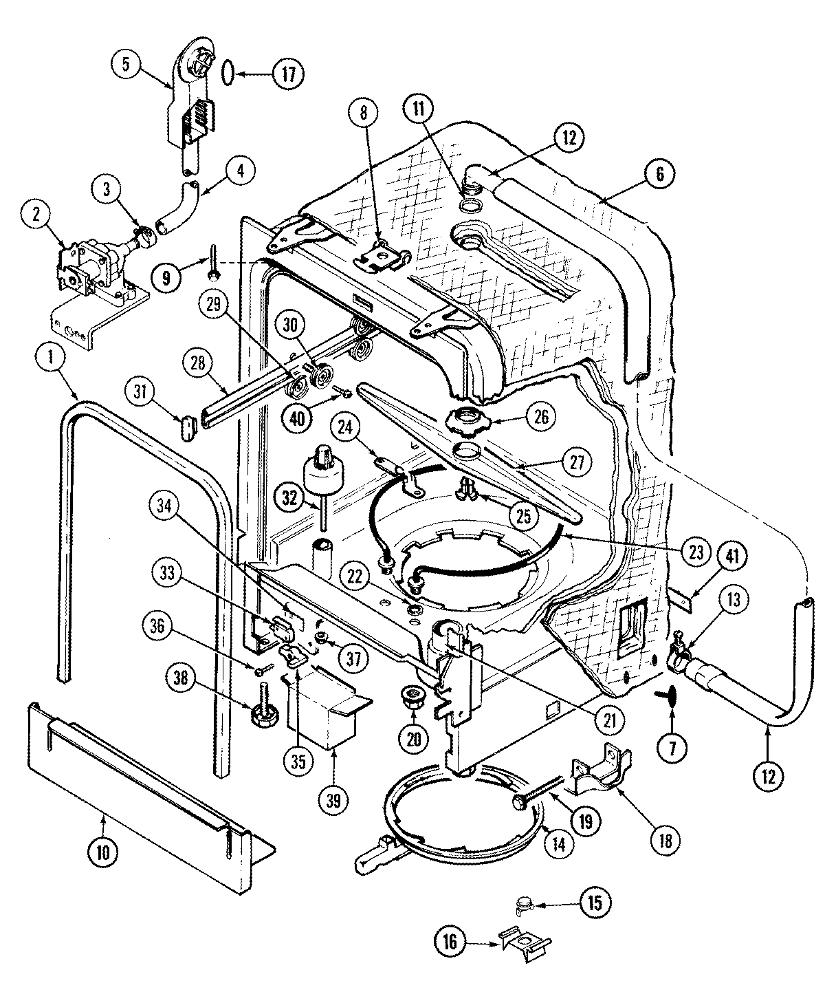
DWU7400ABE 07 – TUB