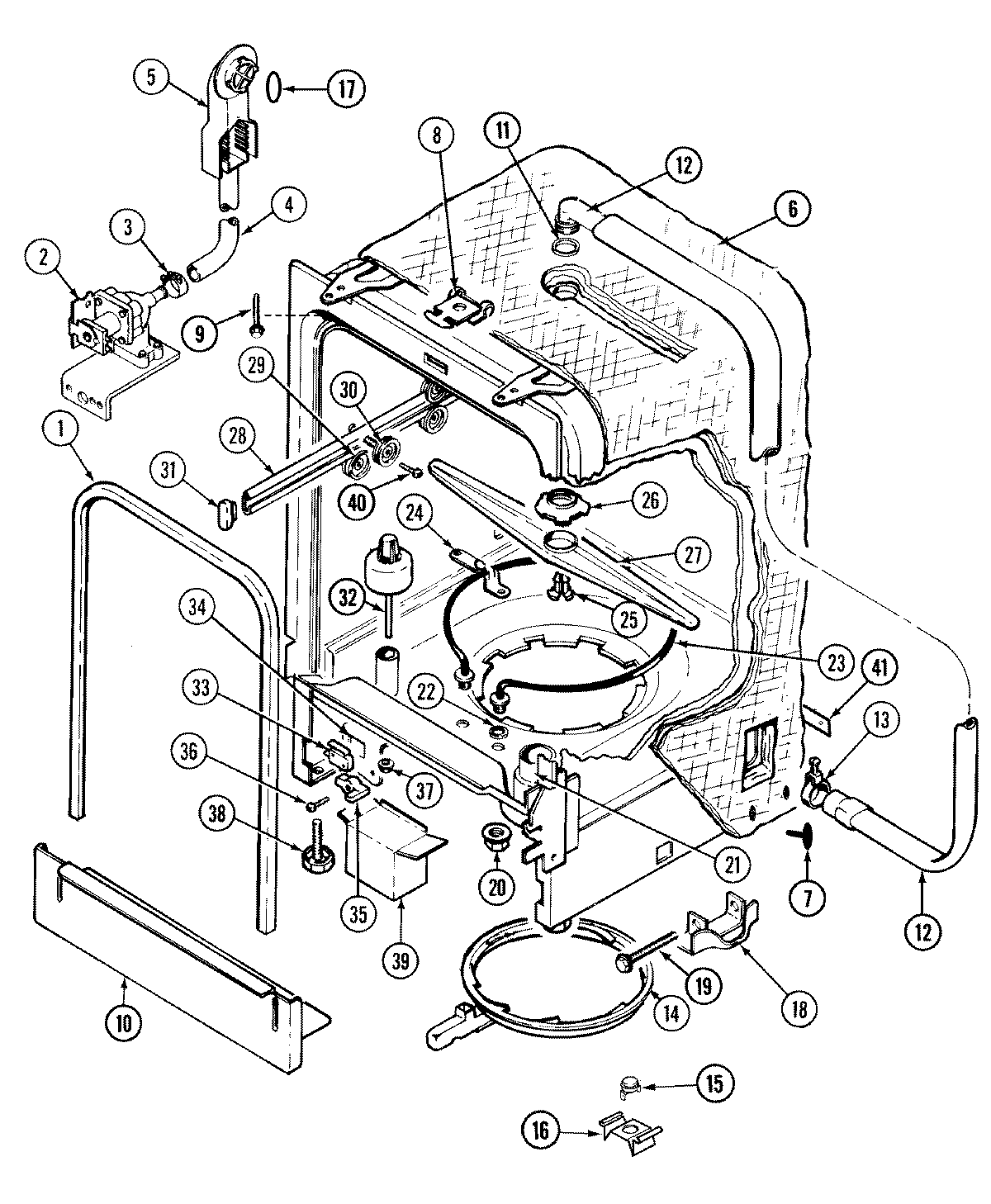
DWU7400ABX 07 – TUB