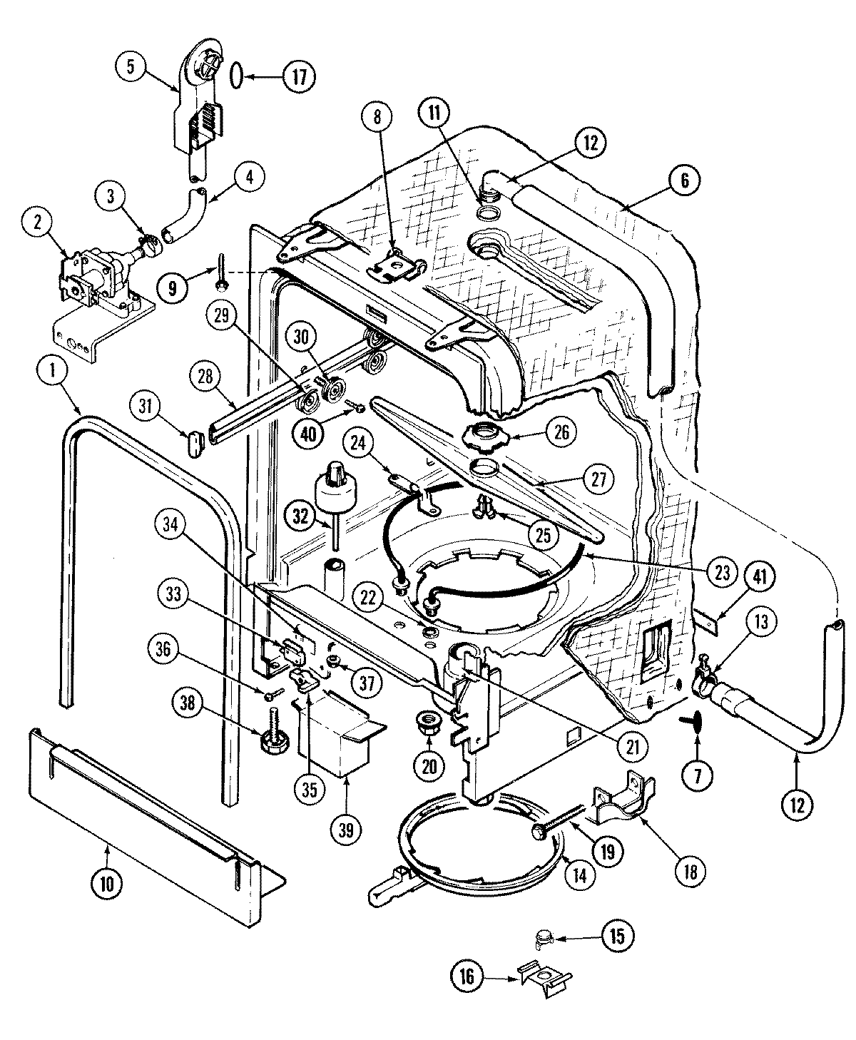
DWU7500AAX 07 – TUB