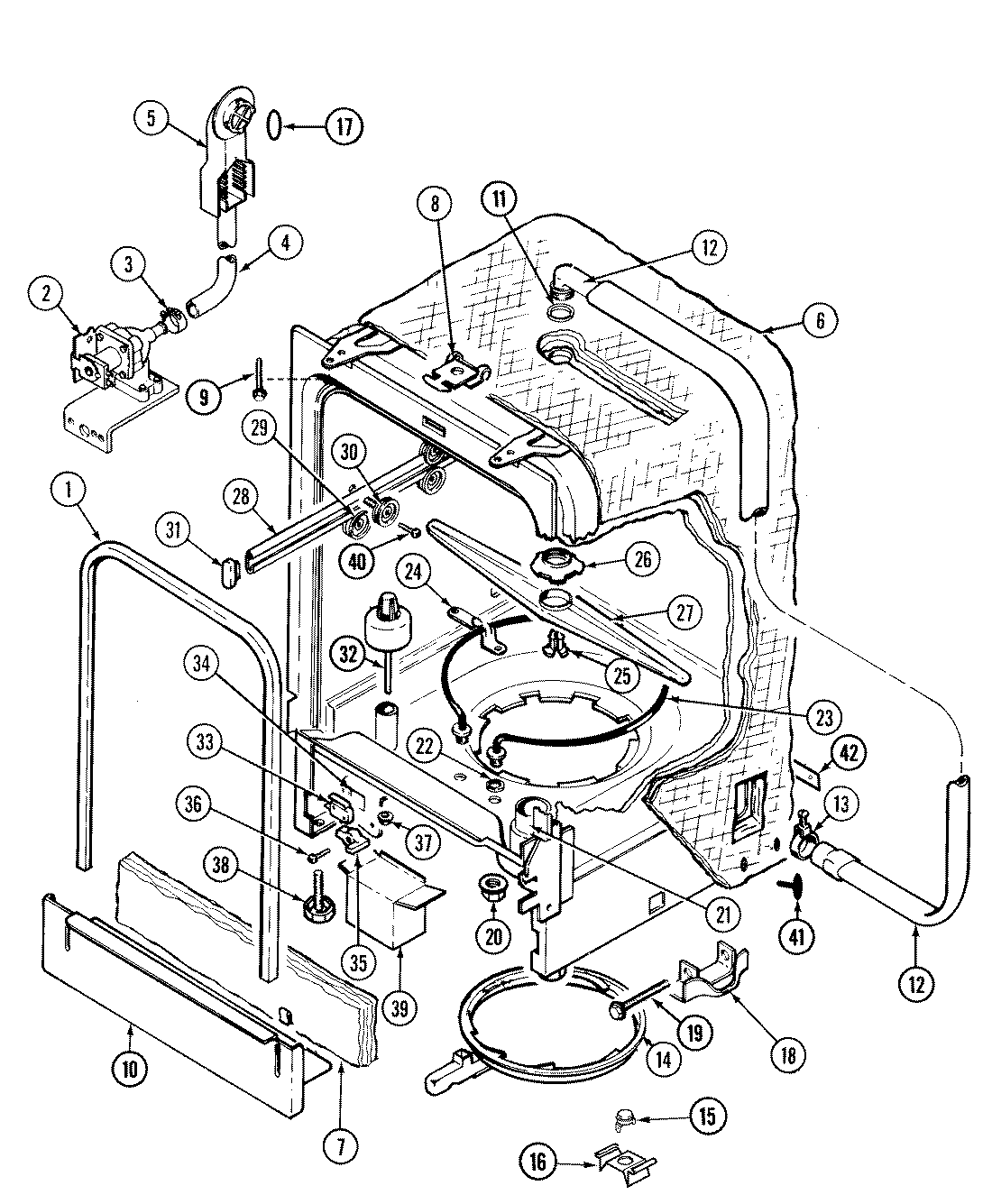
DWU7910BAM 07 – TUB