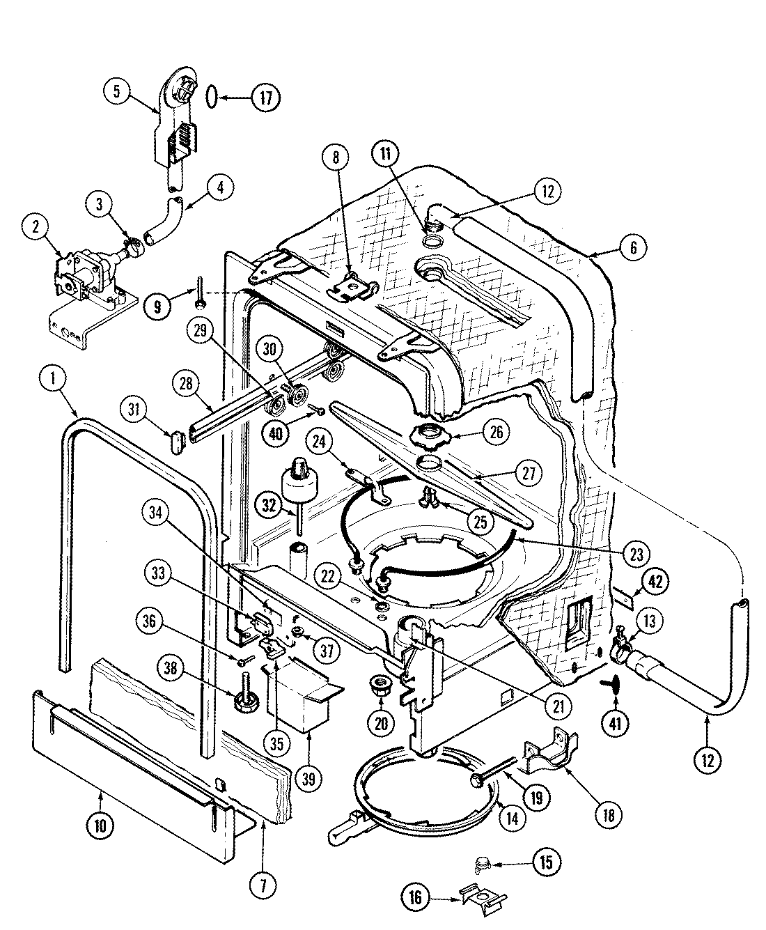
DWU8450BAX 07 – TUB