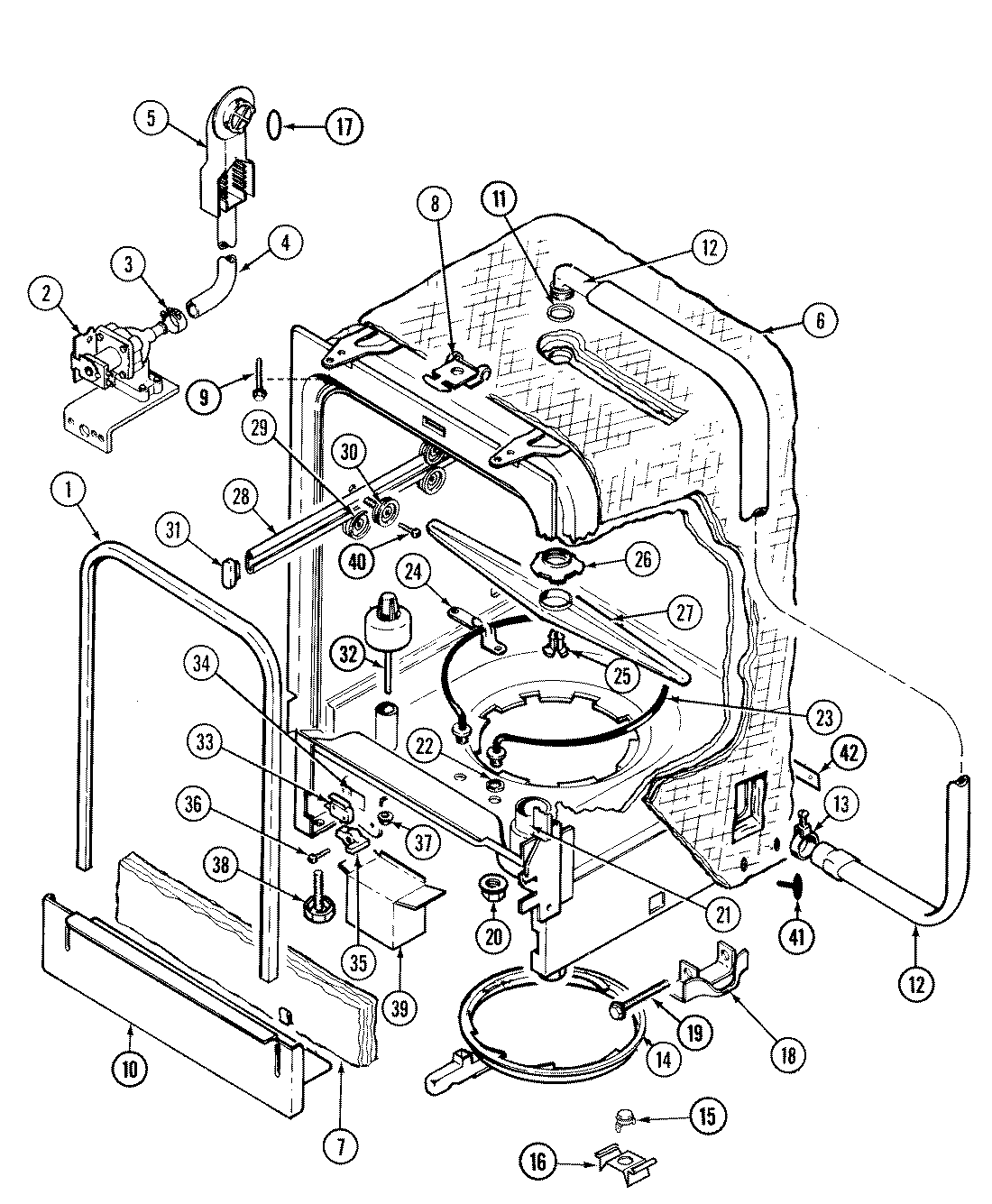
DWU8750BAB 07 – TUB