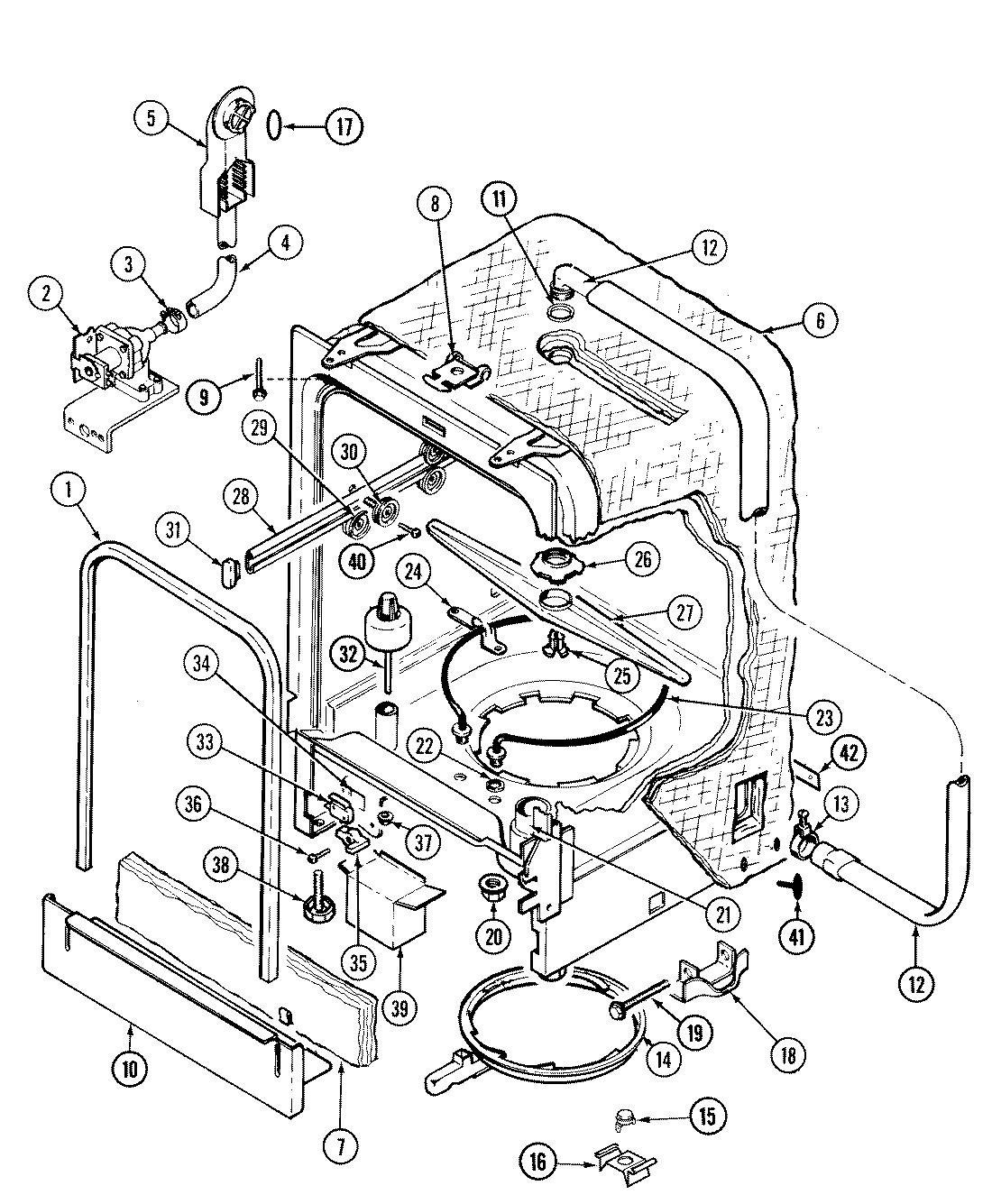
DWU8860BAM 07 – TUB