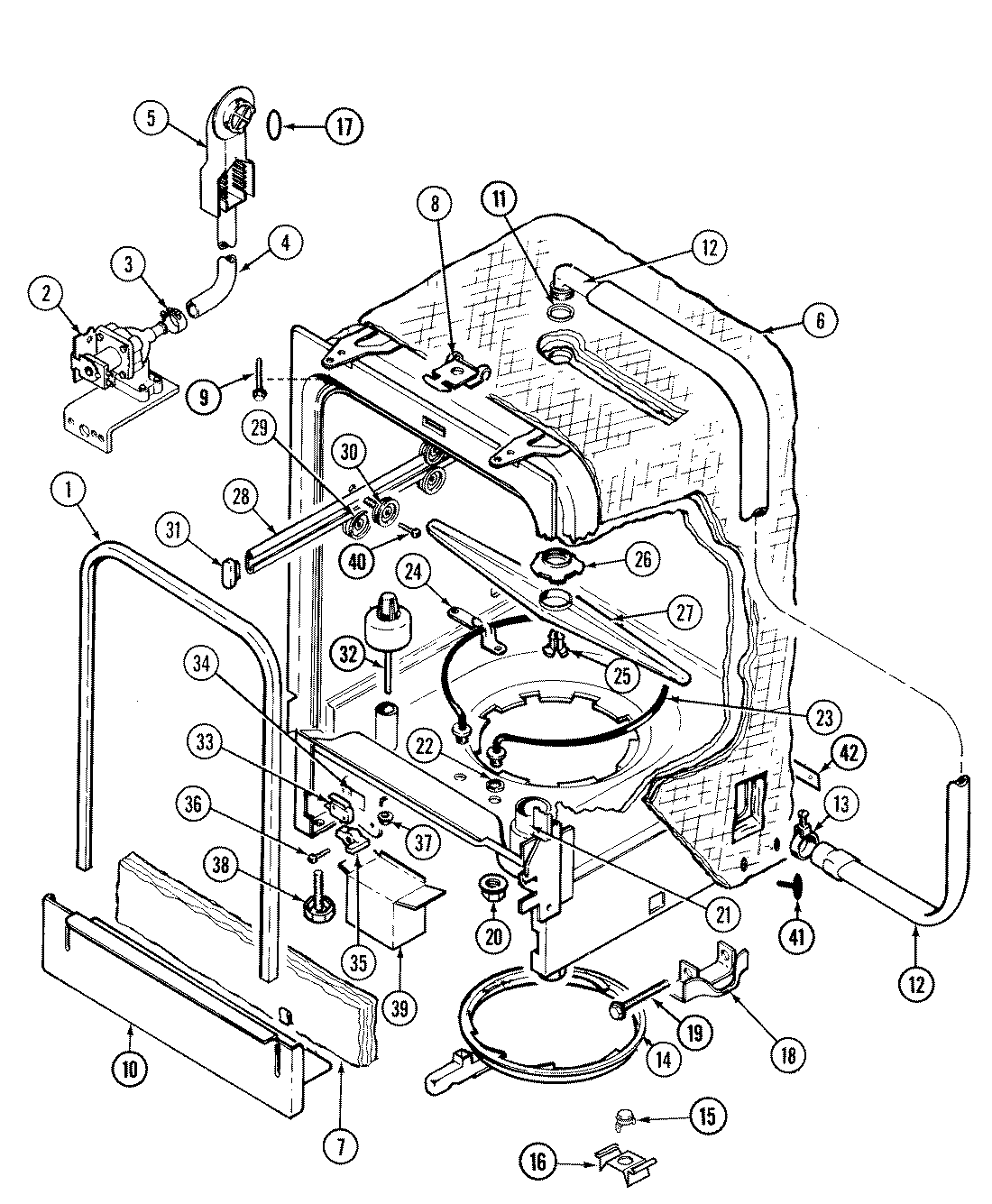
DWU8860BBB 07 – TUB