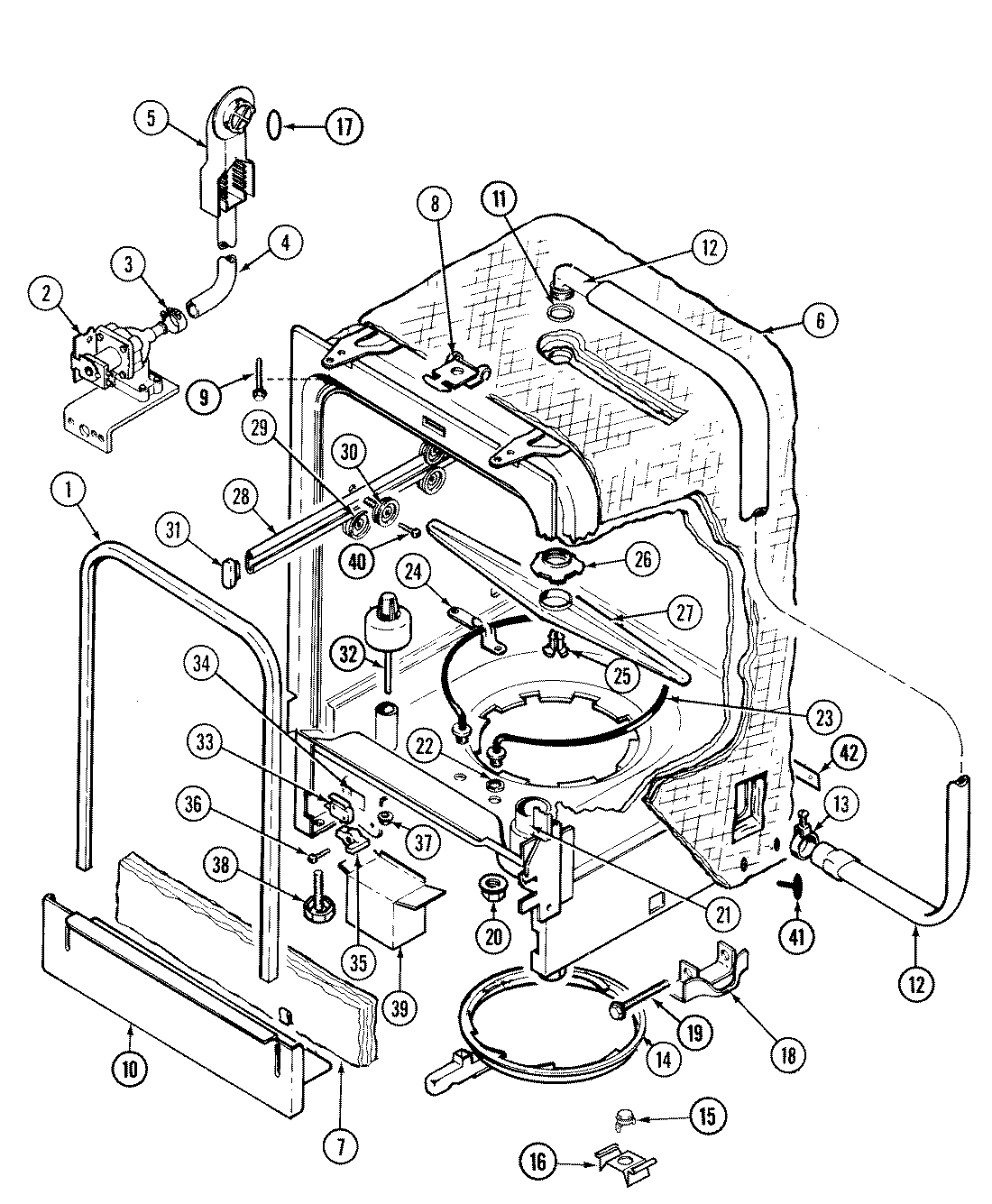
DWU9905ABX 07 – TUB