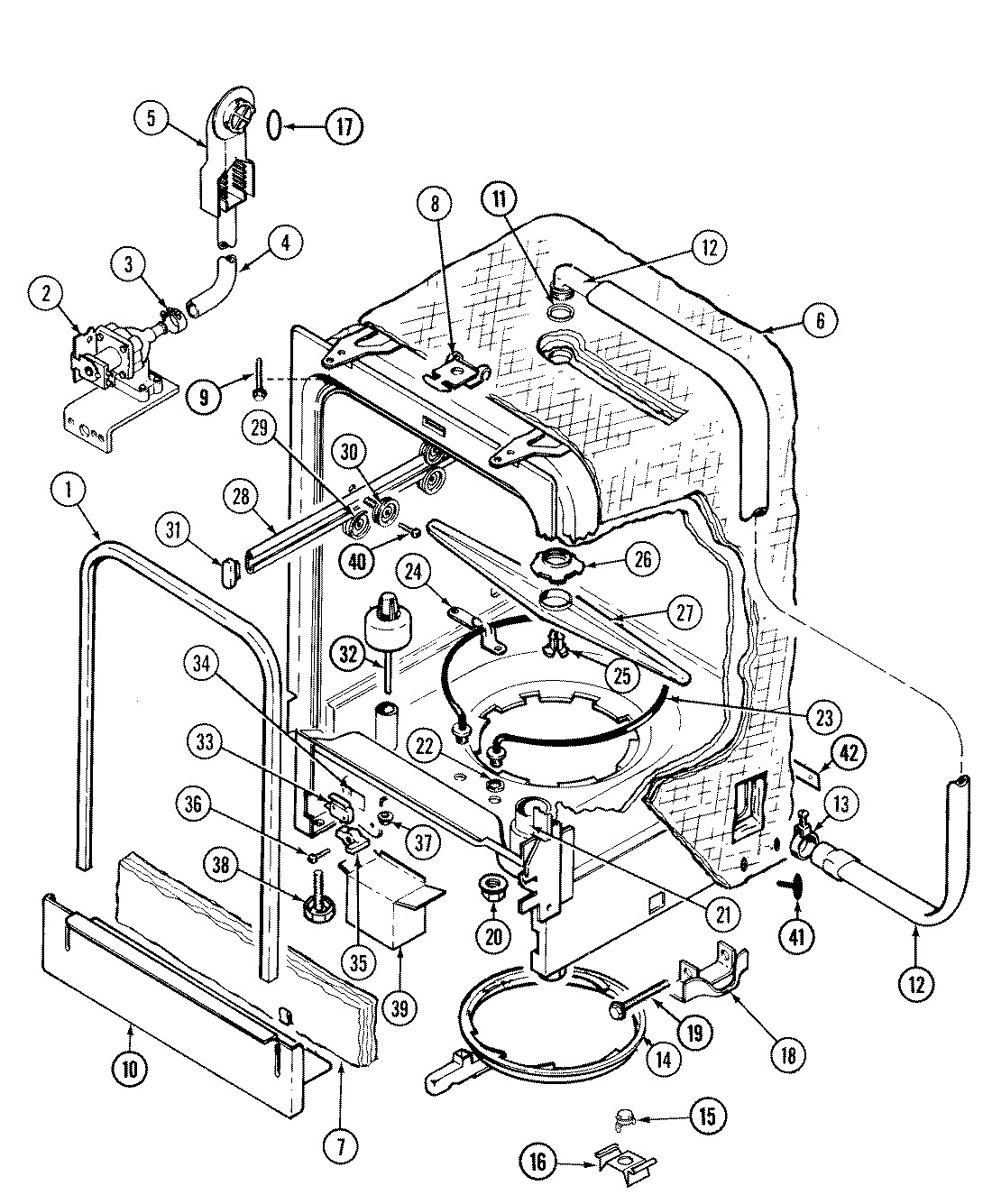
DWU9906BBB 07 – TUB