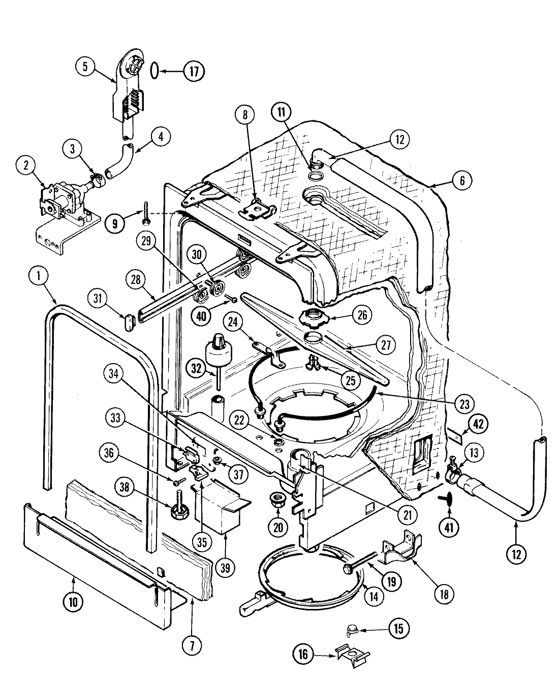
DWU9920AAE 07 – TUB