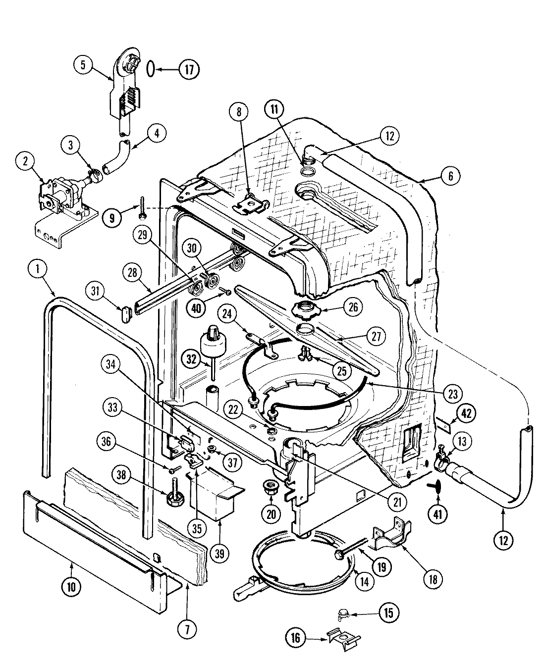
DWU9921BAE 07 – TUB